Deye SUN-M30G4-EU-Q0-I handleiding
Handleiding
Je bekijkt pagina 23 van 33

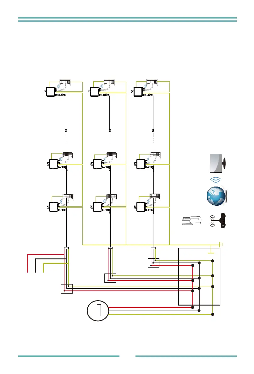
Sample Wiring Diagram Single Phase
30/35/40/45/50 G4 (1MPPT)
Bekijk gratis de handleiding van Deye SUN-M30G4-EU-Q0-I, stel vragen en lees de antwoorden op veelvoorkomende problemen, of gebruik onze assistent om sneller informatie in de handleiding te vinden of uitleg te krijgen over specifieke functies.
Productinformatie
Merk | Deye |
Model | SUN-M30G4-EU-Q0-I |
Categorie | Niet gecategoriseerd |
Taal | Nederlands |
Grootte | 3277 MB |