Deye SUN-M220G4-EU-Q0-I handleiding
Handleiding
Je bekijkt pagina 23 van 33

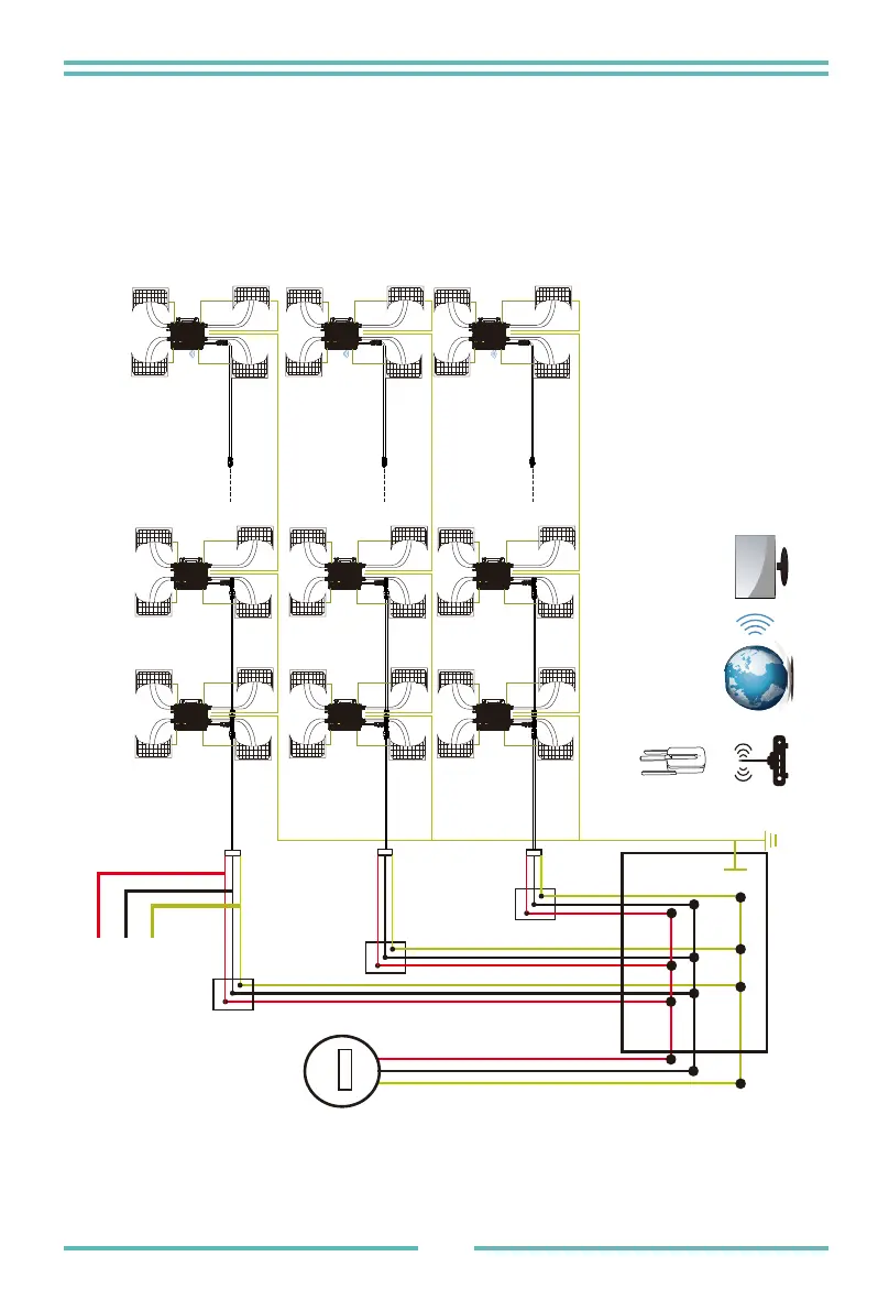
M130G4/160G4/180G4/200G4 (4MPPT)
Sample Wiring Diagram Single Phase
Bekijk gratis de handleiding van Deye SUN-M220G4-EU-Q0-I, stel vragen en lees de antwoorden op veelvoorkomende problemen, of gebruik onze assistent om sneller informatie in de handleiding te vinden of uitleg te krijgen over specifieke functies.
Productinformatie
Merk | Deye |
Model | SUN-M220G4-EU-Q0-I |
Categorie | Niet gecategoriseerd |
Taal | Nederlands |
Grootte | 3300 MB |