Deye SUN-75K-SG02HP3-EU-EM6 handleiding
Handleiding
Je bekijkt pagina 28 van 63

- 26 -
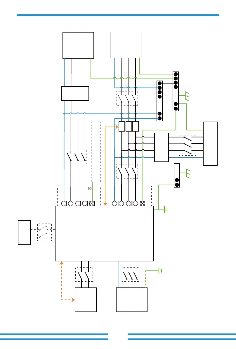
3.10 Wiring diagram with neutral line grounded
This diagram is an example for an application that neutral connects with the
PE in a distribution box.
For countries such as Australia, New Zealand, etc., please follow
local wiring regulations!
E-BAR
GEN
PORT
Load
CT
PE
AC Breaker
L1 L1
N N
L2
Load
PE or
L2
L3
L3
AC Breaker AC Breaker
L1
L1
L1
N
N
N
L2
L2
Grid
PE
L2
L3
PE
PE
L3
L1
N
L2
PE
L3
L3
AC Breaker
Hybrid Inverter
CT1
CT2
CT3
RCD
Home Loads
E-BAR
Grid
Battery
BMS
DC Breaker
PV
DC Breaker
Do not connect this terminal when the neutral
wire and PE wire are connected together.
Inverter case grounding
N-BAR
E-N
Link
RCD
Bekijk gratis de handleiding van Deye SUN-75K-SG02HP3-EU-EM6, stel vragen en lees de antwoorden op veelvoorkomende problemen, of gebruik onze assistent om sneller informatie in de handleiding te vinden of uitleg te krijgen over specifieke functies.
Productinformatie
| Merk | Deye |
| Model | SUN-75K-SG02HP3-EU-EM6 |
| Categorie | Niet gecategoriseerd |
| Taal | Nederlands |
| Grootte | 8311 MB |







