Deye SUN-7.6K-SG01LP1-US handleiding
Handleiding
Je bekijkt pagina 5 van 53

1
2
3
4
5
7
8
9
10
12
11
13
14
15
16
6
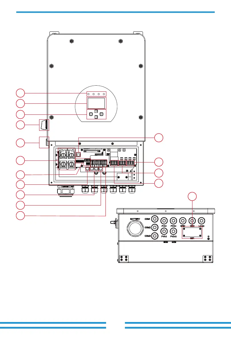
2.1 Product Overview
- 03 -
Bekijk gratis de handleiding van Deye SUN-7.6K-SG01LP1-US, stel vragen en lees de antwoorden op veelvoorkomende problemen, of gebruik onze assistent om sneller informatie in de handleiding te vinden of uitleg te krijgen over specifieke functies.
Productinformatie
| Merk | Deye |
| Model | SUN-7.6K-SG01LP1-US |
| Categorie | Niet gecategoriseerd |
| Taal | Nederlands |
| Grootte | 7710 MB |







