Deye SUN-7.6K-SG01LP1-EU handleiding
Handleiding
Je bekijkt pagina 5 van 55

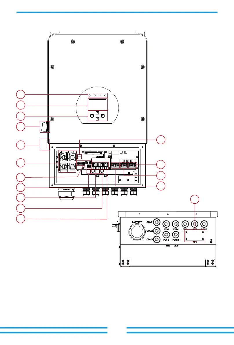
2.1 Product Overview
- 03 -
1
2
3
4
5
7
8
9
10
12
11
13
14
15
16
6
Bekijk gratis de handleiding van Deye SUN-7.6K-SG01LP1-EU, stel vragen en lees de antwoorden op veelvoorkomende problemen, of gebruik onze assistent om sneller informatie in de handleiding te vinden of uitleg te krijgen over specifieke functies.
Productinformatie
| Merk | Deye |
| Model | SUN-7.6K-SG01LP1-EU |
| Categorie | Niet gecategoriseerd |
| Taal | Nederlands |
| Grootte | 8099 MB |







