Deye SUN-7.6K-SG01LP1-EU handleiding
Handleiding
Je bekijkt pagina 23 van 55

- 21 -
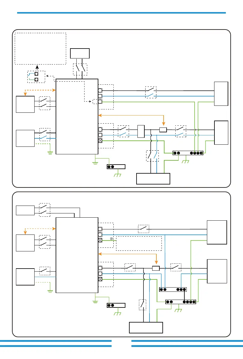
3.10 Wiring System for Inverter
E-BAR
E-BAR
AC Breaker
AC Breaker
300mA RCD
(Recommended)
AC Breaker
Load
L L
N
PE
N
PE
Battery
Diesel
generator
Diesel
generator
BMS
Load
L N PE
Grid
L L
N
PE
N
PE
Grid
CT
CT
Home Loads
Hybrid Inverter
AC Breaker
DC Breaker
E-BAR
E-BAR
N-BAR
AC Breaker
AC Breaker AC Breaker
Load
L L
N
PE
or
N
PE
Battery
PV
BMS
Load
L N PE
Grid
L L
N
PE
N
PE
Grid
CT
CT
Home Loads
Hybrid Inverter
AC Breaker
DC Breaker
DC Breaker
Do not connect this terminal
when the neutral wire and PE
wire are connected together.
E-N
Link
This diagram is an example for applica�on that Neutral connects together with
PE in distribu�on box.
Such as: Australia, New Zealand, etc. (Please follow local wiring regula�ons!)
This diagram is an example for grid systems without special requirements on
electrical wiring connec�on.
Note: The back-up PE line and earthing bar must be grounded properly and
effec�vely.
Otherwise the back-up func�on may be abnormal when the grid fails.
N
PE
PV
DC Breaker
RCD
When the inverter is working in
backup(off-grid) mode, please
refer to sec�on 5.11 to connect
the neutral and PE ternimals on
the Load port via the external relay.
In some versions of hardware,
relay may already be built-in to
achieve this func�on. Please refer
to the actual received product.
Bekijk gratis de handleiding van Deye SUN-7.6K-SG01LP1-EU, stel vragen en lees de antwoorden op veelvoorkomende problemen, of gebruik onze assistent om sneller informatie in de handleiding te vinden of uitleg te krijgen over specifieke functies.
Productinformatie
Merk | Deye |
Model | SUN-7.6K-SG01LP1-EU |
Categorie | Niet gecategoriseerd |
Taal | Nederlands |
Grootte | 8099 MB |