Deye SUN-6K-SG02LP2-EU-AM2 handleiding
Handleiding
Je bekijkt pagina 5 van 66

1
2
3
4
5
7
8
9
10
12
11
13
14
15
16
6
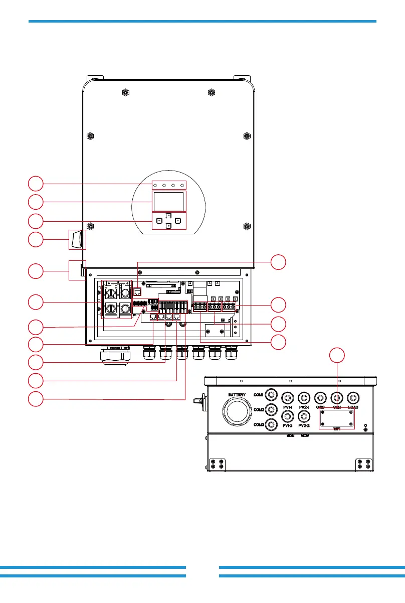
2.1 Product Overview
- 03 -
Bekijk gratis de handleiding van Deye SUN-6K-SG02LP2-EU-AM2, stel vragen en lees de antwoorden op veelvoorkomende problemen, of gebruik onze assistent om sneller informatie in de handleiding te vinden of uitleg te krijgen over specifieke functies.
Productinformatie
| Merk | Deye |
| Model | SUN-6K-SG02LP2-EU-AM2 |
| Categorie | Niet gecategoriseerd |
| Taal | Nederlands |
| Grootte | 9546 MB |







