Deye SUN-5.2K-G05P1-EU-AM2 handleiding
Handleiding
Je bekijkt pagina 31 van 59

DRM/RCR
DRM/RCR
DRM/RCR
RS 485
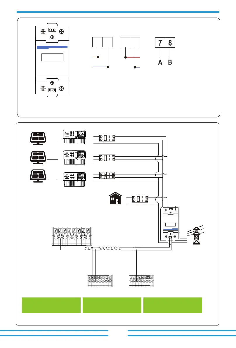
CHNT DDSU666
Pic 7.15 CHNT meter
Pic 7.16 CHNT Connection diagram(The pass-through table)
Solar Panel array
Solar Panel array
Solar Panel array
load
Grid
Grid
3
L
1
Load/Inverter
L
2
4
Shunt
ShuntQTY
Mst
3 <<
Shunt
ShuntQTY
SLV
3 <<
Shunt
ShuntQTY
SLV
3 <<
N
N
RS 48 5
RS485
RS485
Bekijk gratis de handleiding van Deye SUN-5.2K-G05P1-EU-AM2, stel vragen en lees de antwoorden op veelvoorkomende problemen, of gebruik onze assistent om sneller informatie in de handleiding te vinden of uitleg te krijgen over specifieke functies.
Productinformatie
| Merk | Deye |
| Model | SUN-5.2K-G05P1-EU-AM2 |
| Categorie | Niet gecategoriseerd |
| Taal | Nederlands |
| Grootte | 5754 MB |







