Deye SUN-3.6K-SG04LP1-EU-SM2 handleiding
Handleiding
Je bekijkt pagina 26 van 58

- 24 -
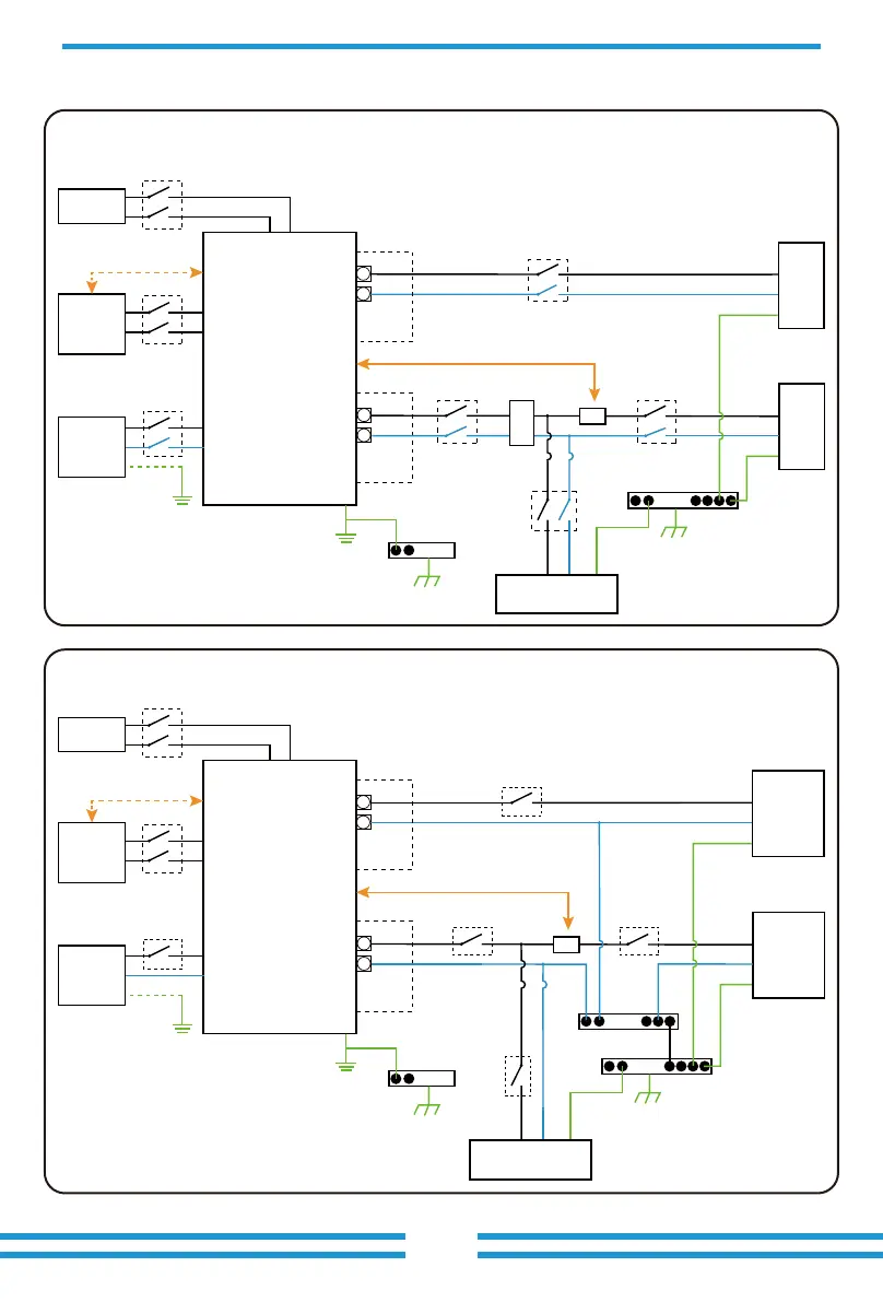
3.10 Wiring System for Inverter
E-BAR
E-BAR
AC Breaker
AC Breaker
AC Breaker
Load
L L
N N
PE
Battery
Diesel
generator
Diesel
generator
BMS
Load
L N PE
Grid
L L
N N
PE
Grid
CT
CT
Home Loads
Hybrid Inverter
AC Breaker
DC Breaker
PV
DC Breaker
E-BAR
E-BAR
N-BAR
AC Breaker
AC Breaker AC Breaker
Load
L L
N N
PE
Battery
PV
BMS
Load
L N PE
Grid
L L
N N
PE
Grid
CT
CT
Home Loads
Hybrid Inverter
AC Breaker
DC Breaker
DC Breaker
E-N
Link
This diagram is an example for applica�on that Neutral connects together with
PE in distribu�on box.
Such as: Australia, New Zealand,etc. (Please follow local wiring regula�ons!)
This diagram is an example for grid systems without special requirements on
electrical wiring connec�on.
Note: The load PE line and earthing bar must be grounded properly and
effec�vely.
Otherwise the back-up func�on may be abnormal when the grid fails.
300mA RCD
(Recommended)
RCD
Bekijk gratis de handleiding van Deye SUN-3.6K-SG04LP1-EU-SM2, stel vragen en lees de antwoorden op veelvoorkomende problemen, of gebruik onze assistent om sneller informatie in de handleiding te vinden of uitleg te krijgen over specifieke functies.
Productinformatie
Merk | Deye |
Model | SUN-3.6K-SG04LP1-EU-SM2 |
Categorie | Niet gecategoriseerd |
Taal | Nederlands |
Grootte | 8725 MB |