Deye SUN-3.3K-G04P1-EU-AM1 handleiding
Handleiding
Je bekijkt pagina 33 van 61

RS 485
CHNT DDSU666
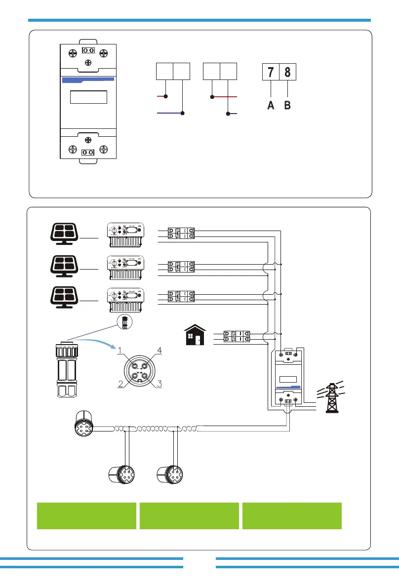
Pic 7.15 CHNT meter
Pic 7.16 CHNT Connection diagram(The pass-through table)
Solar Panel array
Solar Panel array
Solar Panel array
load
Grid
VCC_5V
485_B
485_AGND
RS 485
Female connector
Grid
3
L
1
Load/Inverter
L
2
4
Shunt
ShuntQTY
Mst
3 <<
Shunt
ShuntQTY
SLV
3 <<
Shunt
ShuntQTY
SLV
3 <<
N
N
1
2
3
4
RS485
1
2
3
4
RS485
1
2
3
4
RS485
Bekijk gratis de handleiding van Deye SUN-3.3K-G04P1-EU-AM1, stel vragen en lees de antwoorden op veelvoorkomende problemen, of gebruik onze assistent om sneller informatie in de handleiding te vinden of uitleg te krijgen over specifieke functies.
Productinformatie
| Merk | Deye |
| Model | SUN-3.3K-G04P1-EU-AM1 |
| Categorie | Niet gecategoriseerd |
| Taal | Nederlands |
| Grootte | 5867 MB |







