Deye SUN-25K-SG02HP3-EU-AM3 handleiding
Handleiding
Je bekijkt pagina 32 van 63

L wireCAN N wire PE wire
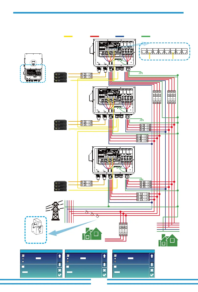
3.14 Three phase parallel connection diagram
Inverter
Master inverter Slave Inverter Slave Inverter
Parallel
Master
Slave
Modbus SN
02
Advanced Function
Paral.
Set3
EX_Meter For CT
Meter Select
0/3No Meter
Parallel
Master
Slave
Modbus SN
03
Advanced Function
Paral.
Set3
EX_Meter For CT
Meter Select
0/3No Meter
Parallel
Master
Slave
Modbus SN
Advanced Function
Paral.
Set3
EX_Meter For CT
Meter Select
0/3No Meter
01
Grid
CT1 CT2
CT3
Backup Load
Inverter
No.3
(slave)
Inverter
No.2
(slave)
Inverter
No.1
(master)
④
⑦
⑨
⑩
⑤
③
Battery pack
②
Battery pack
①
Battery pack
Home Load
L1L2L3NPE
L1
L2
L3
N
PE
CT
Arrow point to inverter,
and connect CT's cables to
the master inverter.
①②③ DC Breaker for battery
SUN-25K-SG02HP3-EU-AM3: 100A DC breaker
SUN-29.9K-SG02HP3-EU-AM3: 100A DC breaker
SUN-30K-SG02HP3-EU-AM3: 100A DC breaker
④⑥⑧ AC Breaker for grid port
SUN-25K-SG02HP3-EU-AM3: 100A AC breaker
SUN-29.9K-SG02HP3-EU-AM3: 100A AC breaker
SUN-30K-SG02HP3-EU-AM3: 100A AC breaker
⑤⑦⑨ AC Breaker for backup load
SUN-25K-SG02HP3-EU-AM3: 100A AC breaker
SUN-29.9K-SG02HP3-EU-AM3: 100A AC breaker
SUN-30K-SG02HP3-EU-AM3: 100A AC breaker
⑩ AC Breaker for home load
Depends on household loads
Ground
Ground
Ground
Parallel_1 Parallel_2Meter CAN DRM BMS1 BMS2 RS485
⑥
⑧
Note: For the parallel system, the lead-acid battery and 'No Batt' mode are not supported.
All inverters connected in parallel must be the same model. Please use lithium battery which
is on the "Deye Approved Battery list".
Each inverter should have its own separate battery set.
Note: For the parallel system,
please choose the "Zero export to CT " mode.
Only the master inverter needs to be
installed CT.
Bekijk gratis de handleiding van Deye SUN-25K-SG02HP3-EU-AM3, stel vragen en lees de antwoorden op veelvoorkomende problemen, of gebruik onze assistent om sneller informatie in de handleiding te vinden of uitleg te krijgen over specifieke functies.
Productinformatie
Merk | Deye |
Model | SUN-25K-SG02HP3-EU-AM3 |
Categorie | Niet gecategoriseerd |
Taal | Nederlands |
Grootte | 7788 MB |