Deye SUN-20K-SG05LP3-EU-SM2 handleiding
Handleiding
Je bekijkt pagina 26 van 56

- 24 -
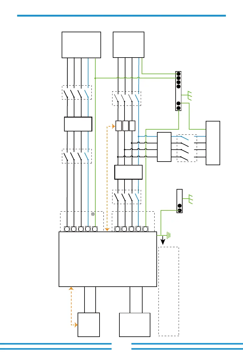
3.11 Wiring diagram
This diagram is an example for an applica�on in which neutral is separated from the PE in the distribu�on box.
For countries such as China, Germany,the Czech Republic, Italy, etc., please follow local wiring regua�ons!
Note:Backup func�on is op�onal in German market.please leave backup side empty if backup func�on is not
available in the inverter.
E-BAR
Solar
Array
Backup
Loads
CT
PE
L2 L2
L1 L1
L3
Backup
PE or
L3
N
PE
N
L2
L2
L2
L1
L1
L1
L3
L3
On-Grid
PE
L3
N
PE
N
N
Hybrid Inverter
CT1
CT2
CT3
RCD
Home Loads
RCD
E-BAR
Grid
Battery
BMS
Distribution box
Grouding screw hole in the
lower right corner
RCD
300mA RCD
(Recommended)
Bekijk gratis de handleiding van Deye SUN-20K-SG05LP3-EU-SM2, stel vragen en lees de antwoorden op veelvoorkomende problemen, of gebruik onze assistent om sneller informatie in de handleiding te vinden of uitleg te krijgen over specifieke functies.
Productinformatie
Merk | Deye |
Model | SUN-20K-SG05LP3-EU-SM2 |
Categorie | Niet gecategoriseerd |
Taal | Nederlands |
Grootte | 8116 MB |