Deye SUN-2.2K-G04P1-EU-AM1 handleiding
Handleiding
Je bekijkt pagina 34 van 61

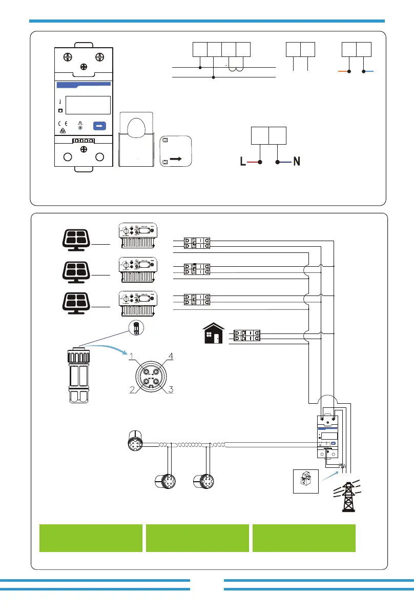
Pic 7.17 CHNT meter
DDSU666
DDSU666-CT
(CTF16-2K5-100A)
RS 485
A B
252443 65
L
N
Input
Current Transformer
CTF16-2k5-100
In:100A
Grid voltage sample
43
CT
65
white blue
*
Pic 7.18 CHNT Connection diagram(The pass-through table)
Solar Panel array
Solar Panel array
Solar Panel array
L
load
VCC_5V
485_B
485_AGND
RS 485
Female connector
N
PE
Shunt
ShuntQTY
Mst
3 <<
Shunt
ShuntQTY
SLV
3 <<
Shunt
ShuntQTY
SLV
3 <<
1
2
3
4
RS 485
1
2
3
4
RS 485
1
2
3
4
RS 485
485_B
485_A
GND
Bekijk gratis de handleiding van Deye SUN-2.2K-G04P1-EU-AM1, stel vragen en lees de antwoorden op veelvoorkomende problemen, of gebruik onze assistent om sneller informatie in de handleiding te vinden of uitleg te krijgen over specifieke functies.
Productinformatie
| Merk | Deye |
| Model | SUN-2.2K-G04P1-EU-AM1 |
| Categorie | Niet gecategoriseerd |
| Taal | Nederlands |
| Grootte | 5867 MB |







