Deye SUN-16K-SG05LP3-EU-SM2 handleiding
Handleiding
Je bekijkt pagina 28 van 58

- 26 -
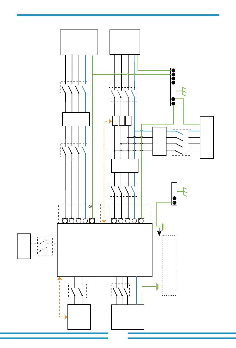
3.11 Wiring diagram
E-BAR
Backup
Loads
CT
PE
L2 L2
L1 L1
L3
Backup
PE or
L3
N
PE
N
L2
L2
L2
L1
L1
L1
L3
L3
On-Grid
PE
L3
N
PE
N
N
Hybrid Inverter
CT1
CT2
CT3
RCD
Home Loads
RCD
E-BAR
Grid
Distribution box
RCD
300mA RCD
(Recommended)
GEN
PORT
L1
N
L2
PE
L3
AC Breaker
Battery
BMS
DC Breaker
PV
DC Breaker
This diagram is an example for an applica�on in which neutral is separated
from the PE in the distribu�on box.
For countries such as China, Germany,the Czech Republic, Italy, etc., please
follow local wiring regua�ons!
Note:Backup func�on is op�onal in German market.please leave backup side
empty if backup func�on is not available in the inverter.
Grouding screw hole in the
lower right corner
Bekijk gratis de handleiding van Deye SUN-16K-SG05LP3-EU-SM2, stel vragen en lees de antwoorden op veelvoorkomende problemen, of gebruik onze assistent om sneller informatie in de handleiding te vinden of uitleg te krijgen over specifieke functies.
Productinformatie
| Merk | Deye |
| Model | SUN-16K-SG05LP3-EU-SM2 |
| Categorie | Niet gecategoriseerd |
| Taal | Nederlands |
| Grootte | 8492 MB |







