Deye SUN-12K-SG01HP3-US-AM2 handleiding
Handleiding
Je bekijkt pagina 23 van 51

- 21 -
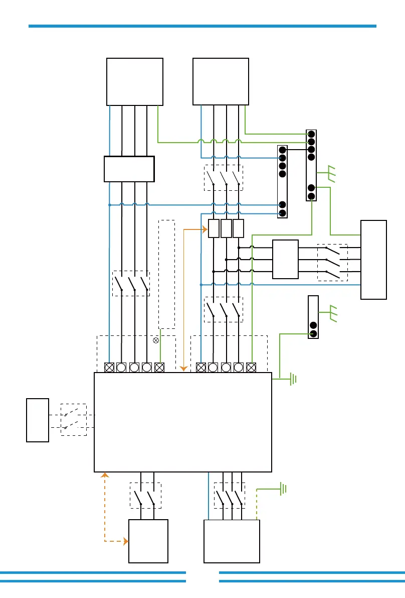
3.9 Wiring System for Inverter
E-BAR
GEN
PORT
Load
CT
PE
AC Breaker
L1 L1
N N
L2
Load
PE or
L2
L3
L3
AC Breaker AC Breaker
L1
L1
L1
N
N
N
L2
L2
Grid
PE
L2
L3
PE
PE
L3
L1
N
L2
PE
L3
L3
AC Breaker
Hybrid Inverter
CT1
CT2
CT3
RCD
Home Loads
RCD
E-BAR
N-BAR
E-N
Link
Grid
Battery
BMS
DC Breaker
PV
DC Breaker
This diagram is an example for an applicaon that neutral connects with the
PE in a distribuon box.
Inverter case grounding
Bekijk gratis de handleiding van Deye SUN-12K-SG01HP3-US-AM2, stel vragen en lees de antwoorden op veelvoorkomende problemen, of gebruik onze assistent om sneller informatie in de handleiding te vinden of uitleg te krijgen over specifieke functies.
Productinformatie
Merk | Deye |
Model | SUN-12K-SG01HP3-US-AM2 |
Categorie | Niet gecategoriseerd |
Taal | Nederlands |
Grootte | 7933 MB |