Deye SUN-10K-SG05LP3-EU-SM2 handleiding
Handleiding
Je bekijkt pagina 27 van 58

- 25 -
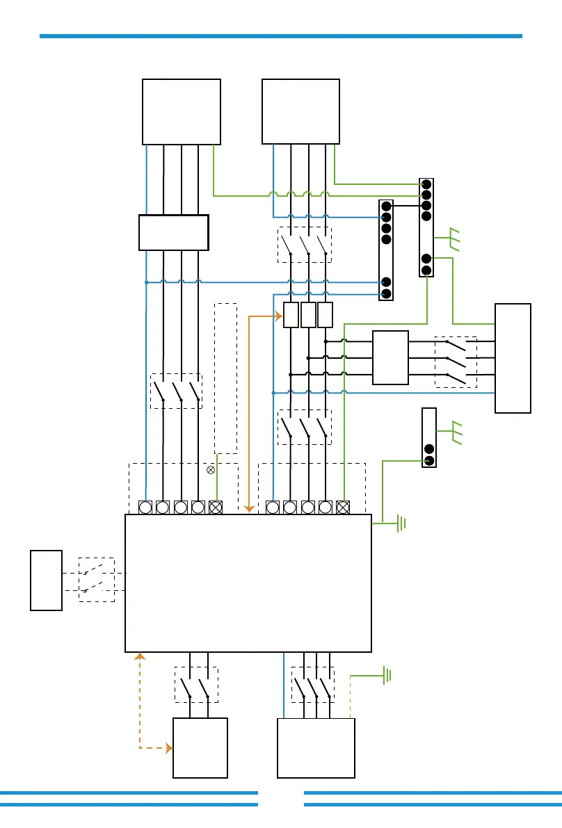
3.10 Wiring System for Inverter
E-BAR
GEN
PORT
Load
CT
PE
AC Breaker
R R
N N
S
Load
PE or
S
T
T
AC Breaker AC Breaker
R
R
R
N
N
N
S
S
Grid
PE
S
T
PE
PE
T
R
N
S
PE
T
T
AC Breaker
Hybrid Inverter
CT1
CT2
CT3
RCD
Home Loads
RCD
E-BAR
N-BAR
E-N
Link
Grid
Battery
BMS
DC Breaker
PV
DC Breaker
This diagram is an example for an applica�on that neutral connects with the
PE in a distribu�on box.
For countries such as Australia, New Zealand, etc., please follow local wiring
regula�ons!
Inverter case grounding
Bekijk gratis de handleiding van Deye SUN-10K-SG05LP3-EU-SM2, stel vragen en lees de antwoorden op veelvoorkomende problemen, of gebruik onze assistent om sneller informatie in de handleiding te vinden of uitleg te krijgen over specifieke functies.
Productinformatie
| Merk | Deye |
| Model | SUN-10K-SG05LP3-EU-SM2 |
| Categorie | Niet gecategoriseerd |
| Taal | Nederlands |
| Grootte | 8329 MB |







