Deye SUN-10K-SG05LP1-EU handleiding
Handleiding
Je bekijkt pagina 24 van 56

- 22 -
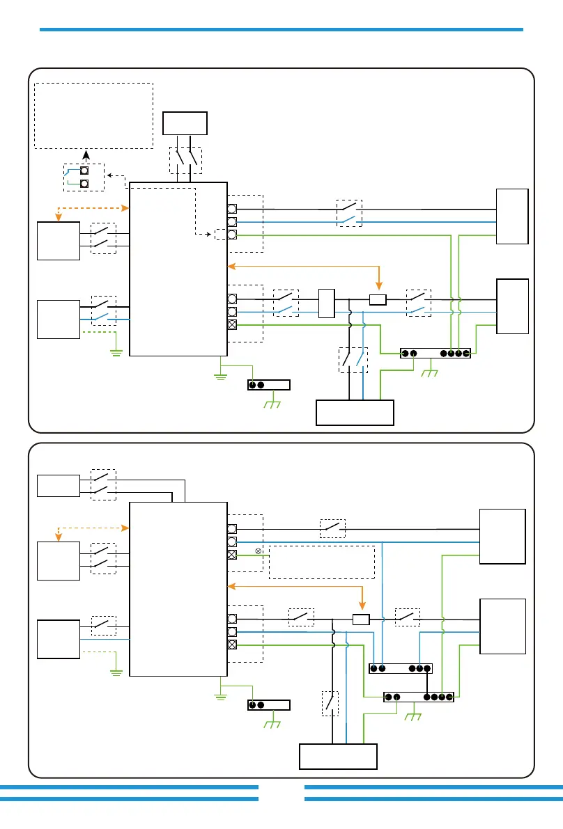
3.10 Wiring System for Inverter
E-BAR
E-BAR
AC Breaker
AC Breaker
300mA RCD
(Recommended)
AC Breaker
Load
L L
N
PE
N
PE
Battery
Diesel
generator
Diesel
generator
BMS
Load
L N PE
Grid
L L
N
PE
N
PE
Grid
CT
CT
Home Loads
Hybrid Inverter
AC Breaker
DC Breaker
E-BAR
E-BAR
N-BAR
AC Breaker
AC Breaker AC Breaker
Load
L L
N
PE
or
N
PE
Battery
PV
BMS
Load
L N PE
Grid
L L
N
PE
N
PE
Grid
CT
CT
Home Loads
Hybrid Inverter
AC Breaker
DC Breaker
DC Breaker
Do not connect this terminal
when the neutral wire and PE
wire are connected together.
E-N
Link
This diagram is an example for applica�on that Neutral connects together with
PE in distribu�on box.
Such as: Australia, New Zealand, etc. (Please follow local wiring regula�ons!)
This diagram is an example for grid systems without special requirements on
electrical wiring connec�on.
Note: The back-up PE line and earthing bar must be grounded properly and
effec�vely.
Otherwise the back-up func�on may be abnormal when the grid fails.
N
PE
When the inverter is working in
backup mode, neutral and PE on
the backup side are connected
via the internal relay. Also, this
internal relay will be open when
the inverter is working in grid
�ed mode.
PV
DC Breaker
RCD
Bekijk gratis de handleiding van Deye SUN-10K-SG05LP1-EU, stel vragen en lees de antwoorden op veelvoorkomende problemen, of gebruik onze assistent om sneller informatie in de handleiding te vinden of uitleg te krijgen over specifieke functies.
Productinformatie
| Merk | Deye |
| Model | SUN-10K-SG05LP1-EU |
| Categorie | Niet gecategoriseerd |
| Taal | Nederlands |
| Grootte | 9115 MB |







