Deye SUN-10K-SG05LP1-EU-SM2 handleiding
Handleiding
Je bekijkt pagina 25 van 58

- 23 -
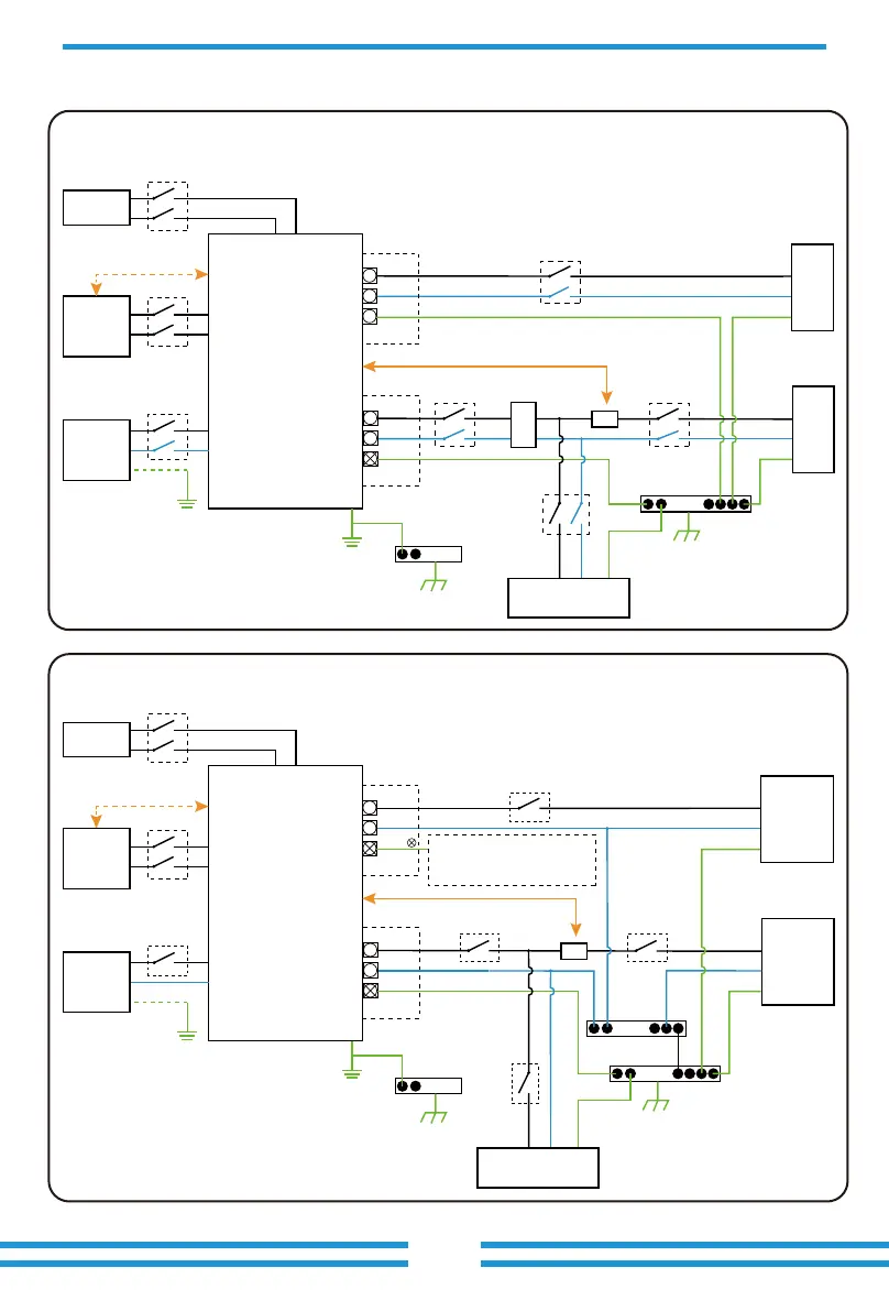
3.10 Wiring System for Inverter
E-BAR
E-BAR
AC Breaker
AC Breaker
AC Breaker
Load
L L
N
PE
N
PE
Battery
Diesel
generator
Diesel
generator
BMS
Load
L N PE
Grid
L L
N
PE
N
PE
Grid
CT
CT
Home Loads
Hybrid Inverter
AC Breaker
DC Breaker
PV
DC Breaker
E-BAR
E-BAR
N-BAR
AC Breaker
AC Breaker AC Breaker
Load
L L
N
PE
or
N
PE
Battery
PV
BMS
Load
L N PE
Grid
L L
N
PE
N
PE
Grid
CT
CT
Home Loads
Hybrid Inverter
AC Breaker
DC Breaker
DC Breaker
Do not connect this terminal
when the neutral wire and PE
wire are connected together.
E-N
Link
This diagram is an example for applica�on that Neutral connects together with
PE in distribu�on box.
Such as: Australia, New Zealand, etc. (Please follow local wiring regula�ons!)
This diagram is an example for grid systems without special requirements on
electrical wiring connec�on.
Note: The back-up PE line and earthing bar must be grounded properly and
effec�vely.
Otherwise the back-up func�on may be abnormal when the grid fails.
300mA RCD
(Recommended)
RCD
Bekijk gratis de handleiding van Deye SUN-10K-SG05LP1-EU-SM2, stel vragen en lees de antwoorden op veelvoorkomende problemen, of gebruik onze assistent om sneller informatie in de handleiding te vinden of uitleg te krijgen over specifieke functies.
Productinformatie
| Merk | Deye |
| Model | SUN-10K-SG05LP1-EU-SM2 |
| Categorie | Niet gecategoriseerd |
| Taal | Nederlands |
| Grootte | 9057 MB |







