Deye SUN-10K-SG02LP1-EU-AM3 handleiding
Handleiding
Je bekijkt pagina 5 van 55

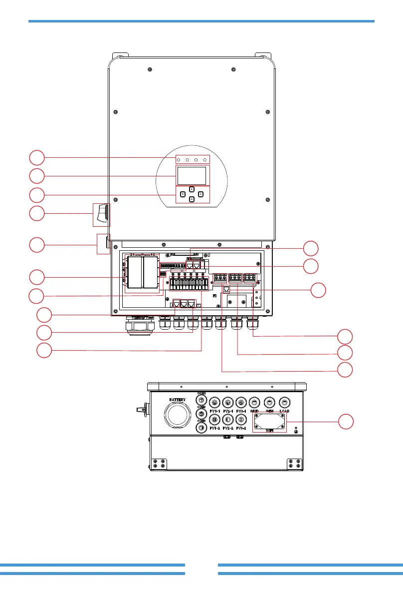
2.1 Product Overview
- 03 -
17
8
6
1
2
3
4
5
9
7
11
12
13
16
15
14
10
Bekijk gratis de handleiding van Deye SUN-10K-SG02LP1-EU-AM3, stel vragen en lees de antwoorden op veelvoorkomende problemen, of gebruik onze assistent om sneller informatie in de handleiding te vinden of uitleg te krijgen over specifieke functies.
Productinformatie
| Merk | Deye |
| Model | SUN-10K-SG02LP1-EU-AM3 |
| Categorie | Niet gecategoriseerd |
| Taal | Nederlands |
| Grootte | 8597 MB |







