Deye SUN-10K-SG01HP2-US-AM2 handleiding

54 pagina's
PDF beschikbaar

Handleiding

Je bekijkt pagina 26 van 54
- 24 -
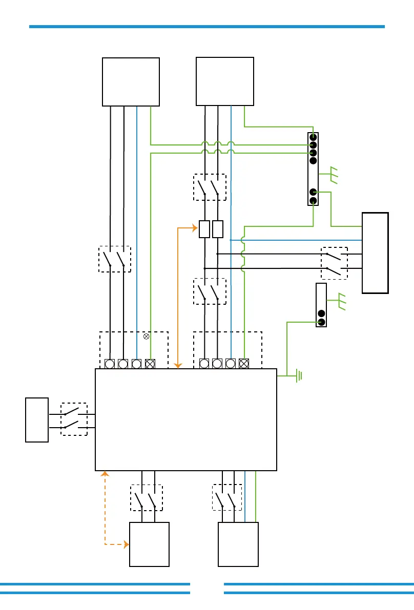
3.9 Wiring System for Inverter
E-BAR
E-BAR
AC Breaker
AC Breaker
Load
L2
L1
L2
L1
N
PE
or
L2
L1
N
PE
N
PE
Battery
PV
GEN
PORT
BMS
Load
L1 L2 N PE
Grid
L2 L2
L1
N
PE
N
PE
Grid
CT
CT2
E-N
LINK
AC Breaker
L1
Home Loads
Hybrid Inverter
AC Breaker
DC Breaker
DC Breaker
CT1

Bekijk gratis de handleiding van Deye SUN-10K-SG01HP2-US-AM2, stel vragen en lees de antwoorden op veelvoorkomende problemen, of gebruik onze assistent om sneller informatie in de handleiding te vinden of uitleg te krijgen over specifieke functies.

Productinformatie

MerkDeye
ModelSUN-10K-SG01HP2-US-AM2
CategorieNiet gecategoriseerd
TaalNederlands
Grootte8034 MB