Delfield F2694CP handleiding
Handleiding
Je bekijkt pagina 11 van 24

F2000/F17 Series Equipment Stand Service and Installation Manual
11
For customer service, call (800) 733-8829, (800) 733-8821, Fax (989) 773-3210, www.delfield.com
Delfield
™
®
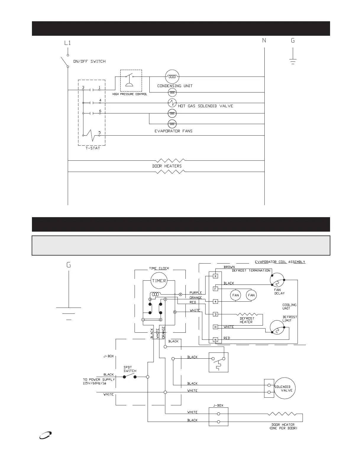
Wiring Diagram: F2600 & F17 Series Self Contained Freezers
Wiring Diagram: F2700 & F17 Series Remote Freezers
Note: Wiring for F2700 series includes junction box with 6' leads for field connection and wiring to evaporator fans and coils
only.
Bekijk gratis de handleiding van Delfield F2694CP, stel vragen en lees de antwoorden op veelvoorkomende problemen, of gebruik onze assistent om sneller informatie in de handleiding te vinden of uitleg te krijgen over specifieke functies.
Productinformatie
Merk | Delfield |
Model | F2694CP |
Categorie | Niet gecategoriseerd |
Taal | Nederlands |
Grootte | 4070 MB |