Danby DR24V1WGLP handleiding
Handleiding
Je bekijkt pagina 12 van 52

INSTALLATION INSTRUCTIONS
12
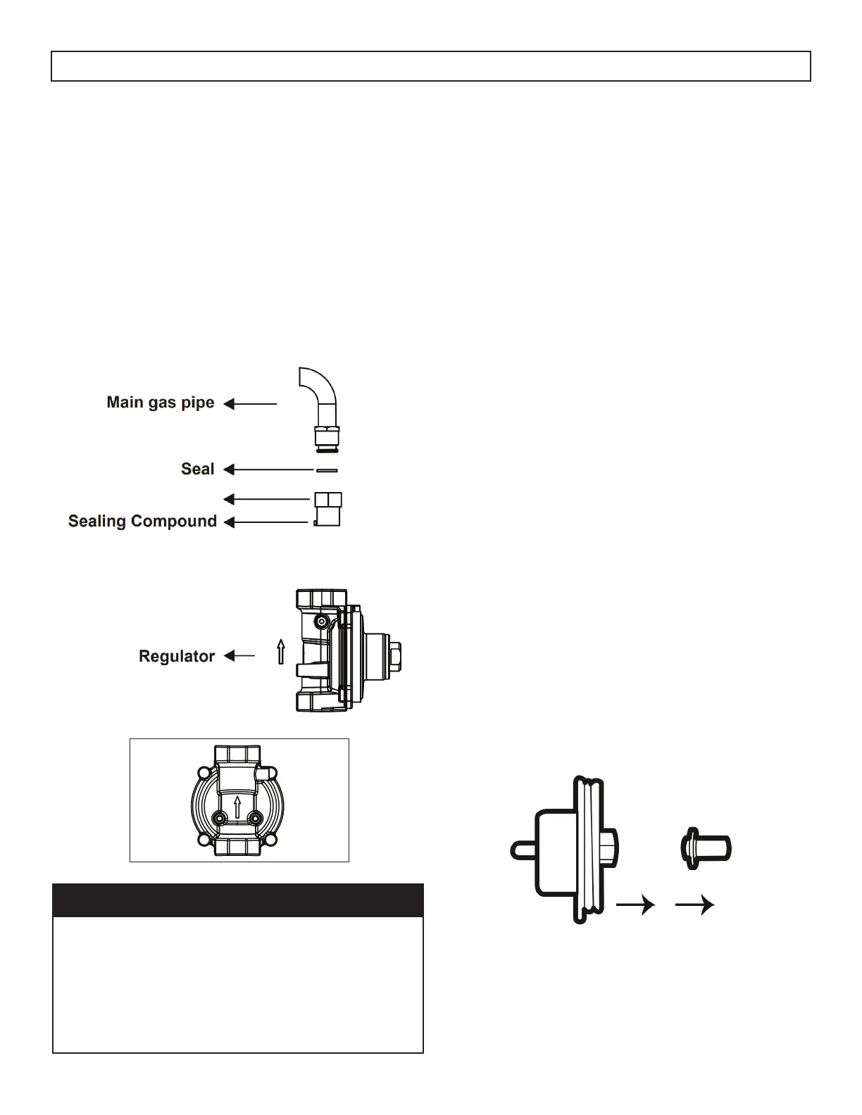
Note: Use pipe joint sealant on all male (outside)
pipe threads to stop leaks. When tightening fittings,
avoid allowing the gas pressure regulator to turn on
the pipe.
• Construct an accessible place outside of the
range and attach an external manual gas shut-
off valve to the gas supply line.
Make sure you are aware of where and how to
turn off the range’s gas supply.
• Attach the 1/2” flare union adapter to the gas
pressure regulator with a maximum torque of 15
ft-lbs
WARNING
Please assemble the regulator to the appliance in
the arrow direction shown on the regulator.
The Cooker must be installed and maintained by
a suitably qualified gas registered technician in
accordance with current safety legislation.
Do not use a naked flame to check for gas leaks.
Gas Pressure Regulator
The gas pressure regulator that is supplied with this
appliance must be used. The inlet pressure to the
regulator should be as follows for proper opera-
tions:
Natural Gas (NG - Methane):
Minimum pressure: 5” W.C.
Maximum pressure: 13” W.C.
Propane Gas (LP):
Minimum pressure: 12” W.C.
Maximum pressure: 13“ W.C.
GAS CONVERSION (IF AVAILABLE)
Your appliance is designed to be operated with LP/
NG gas. The gas burners can be adapted to dif-
ferent types of gas, by replacing the corresponding
injectors and adjusting the minimum flame length
suitable to the gas in use. For this purpose, the fol-
lowing steps should be performed.
Changing Pressure Setting of The Regulator
The regulator of the appliance is shipped to operate
on NG. The inlet pressure of the gas supply shall be
in accordance with the nominal inlet pressure of the
regulator used on the range or 13” W.C. maximum.
1. WARNING: Before performing the
conversion, be sure to shut off the gas and
electrical power supply of the appliance.
2. Twist the cap to get the adjustment rod. When
the letter “NG” on the adjustment rod faces up-
ward, the regulator outlet pressure is set to NG.
Adapter
Bekijk gratis de handleiding van Danby DR24V1WGLP, stel vragen en lees de antwoorden op veelvoorkomende problemen, of gebruik onze assistent om sneller informatie in de handleiding te vinden of uitleg te krijgen over specifieke functies.
Productinformatie
Merk | Danby |
Model | DR24V1WGLP |
Categorie | Niet gecategoriseerd |
Taal | Nederlands |
Grootte | 5984 MB |