Daikin FWN12AATN6V3 handleiding

56 pagina's
PDF beschikbaar

Handleiding

Je bekijkt pagina 8 van 56
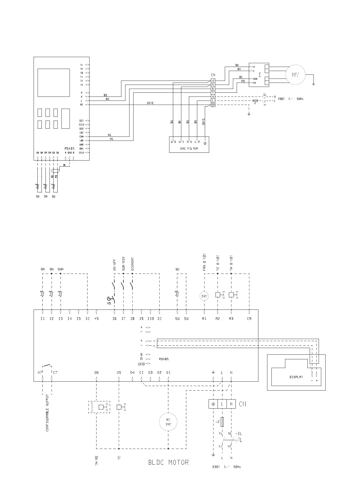
FWECSA BLDC
FWEC3 BLDC separate

Bekijk gratis de handleiding van Daikin FWN12AATN6V3, stel vragen en lees de antwoorden op veelvoorkomende problemen, of gebruik onze assistent om sneller informatie in de handleiding te vinden of uitleg te krijgen over specifieke functies.

Productinformatie

MerkDaikin
ModelFWN12AATN6V3
CategorieNiet gecategoriseerd
TaalNederlands
Grootte8475 MB