Daikin FWN04AATN6V3 handleiding

56 pagina's
PDF beschikbaar

Handleiding

Je bekijkt pagina 7 van 56
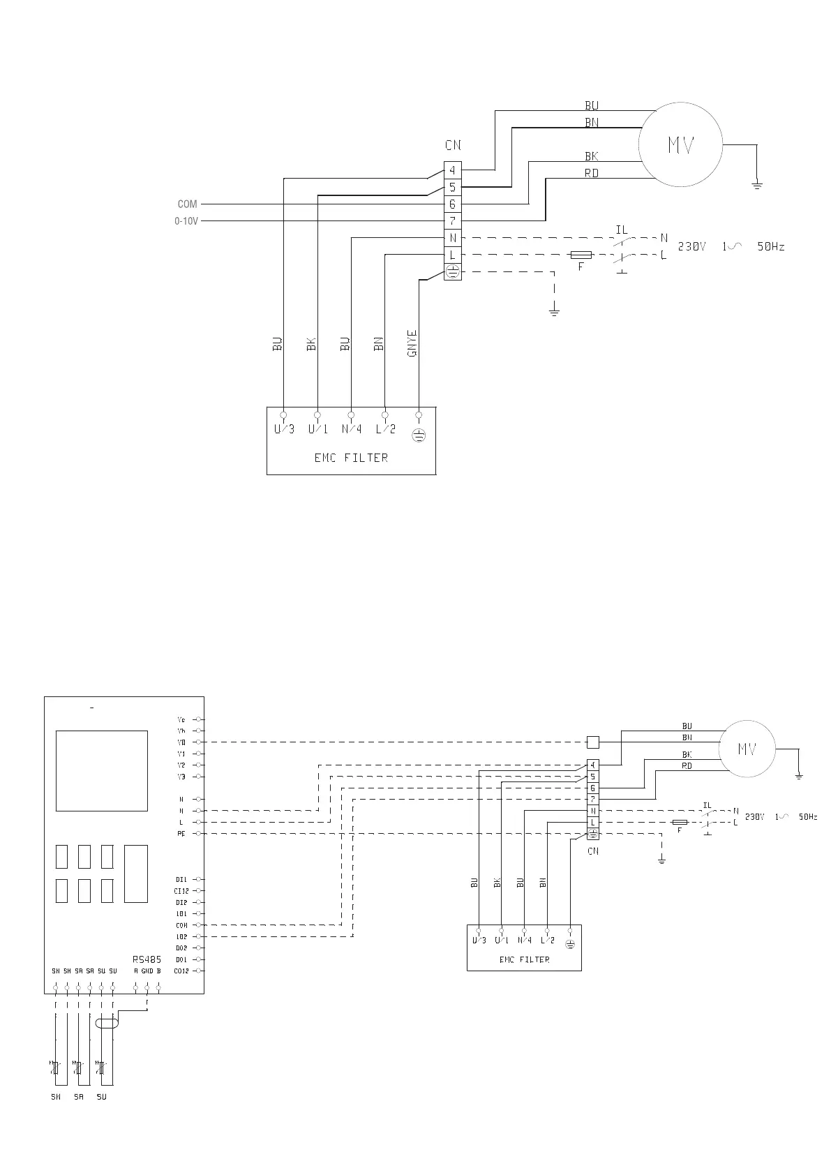
FWEC3 BLDC integrated
FWEC3 BLDC integrated

Bekijk gratis de handleiding van Daikin FWN04AATN6V3, stel vragen en lees de antwoorden op veelvoorkomende problemen, of gebruik onze assistent om sneller informatie in de handleiding te vinden of uitleg te krijgen over specifieke functies.

Productinformatie

MerkDaikin
ModelFWN04AATN6V3
CategorieNiet gecategoriseerd
TaalNederlands
Grootte8475 MB