Daikin EWFH450TZSSD1 handleiding

65 pagina's
PDF beschikbaar

Handleiding

Je bekijkt pagina 6 van 65
DEIMAC01905-23_06EN - 6/65
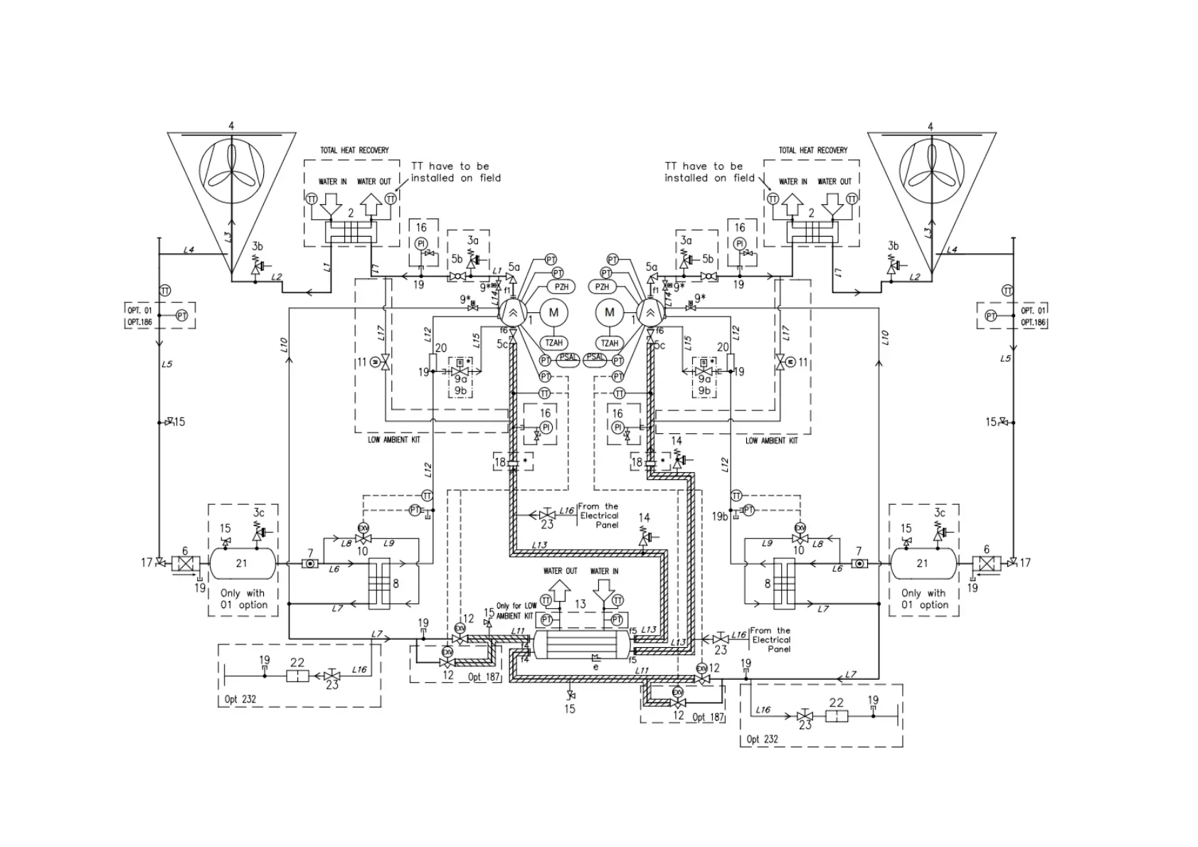
Fig. 2- Refrigerant circuit diagram (P&ID) DUAL circuit units

Bekijk gratis de handleiding van Daikin EWFH450TZSSD1, stel vragen en lees de antwoorden op veelvoorkomende problemen, of gebruik onze assistent om sneller informatie in de handleiding te vinden of uitleg te krijgen over specifieke functies.

Productinformatie

MerkDaikin
ModelEWFH450TZSSD1
CategorieAirco
TaalNederlands
Grootte11779 MB