Daikin EWFD575TZPSD2 handleiding

65 pagina's
PDF beschikbaar

Handleiding

Je bekijkt pagina 4 van 65
DEIMAC01905-23_06EN - 4/65
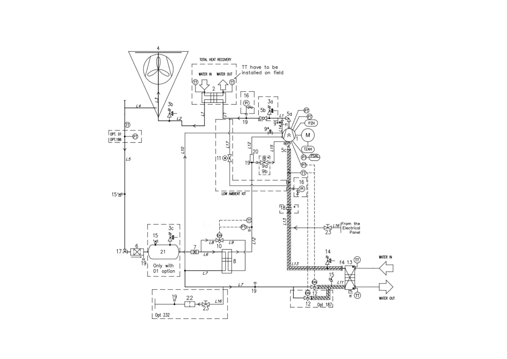
Fig. 1- Refrigerant circuit diagram (P&ID) MONO circuit units

Bekijk gratis de handleiding van Daikin EWFD575TZPSD2, stel vragen en lees de antwoorden op veelvoorkomende problemen, of gebruik onze assistent om sneller informatie in de handleiding te vinden of uitleg te krijgen over specifieke functies.

Productinformatie

MerkDaikin
ModelEWFD575TZPSD2
CategorieAirco
TaalNederlands
Grootte11779 MB