Daikin EWFD575TZPSD2 handleiding

65 pagina's
PDF beschikbaar

Handleiding

Je bekijkt pagina 39 van 65
DEIMAC01905-23_06EN - 39/65
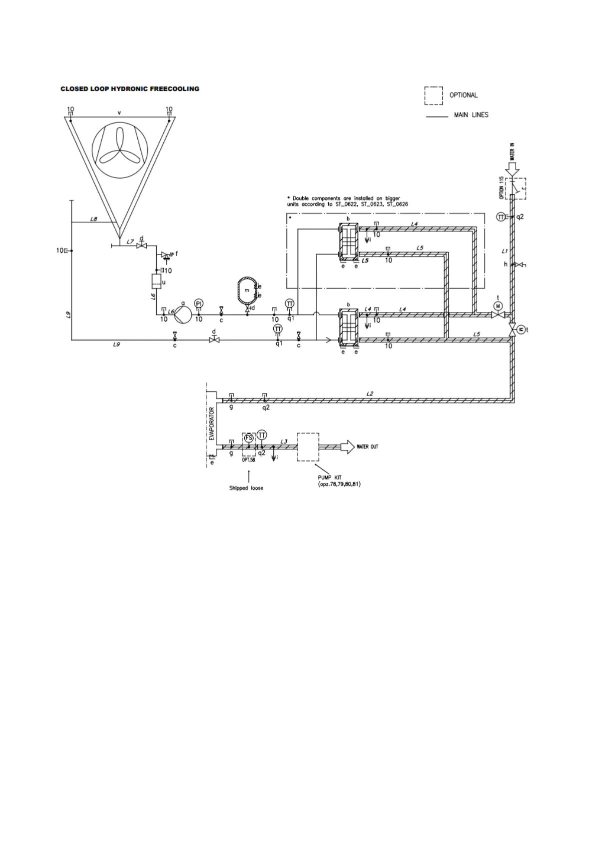
Fig. 28 Closed loop Hydronic Free cooling P&ID (Opt. 231)

Bekijk gratis de handleiding van Daikin EWFD575TZPSD2, stel vragen en lees de antwoorden op veelvoorkomende problemen, of gebruik onze assistent om sneller informatie in de handleiding te vinden of uitleg te krijgen over specifieke functies.

Productinformatie

MerkDaikin
ModelEWFD575TZPSD2
CategorieAirco
TaalNederlands
Grootte11779 MB