Daikin DCM008A51 handleiding
Handleiding
Je bekijkt pagina 19 van 369

User’s Manual EM11A015H
intelligent Touch Manager
18
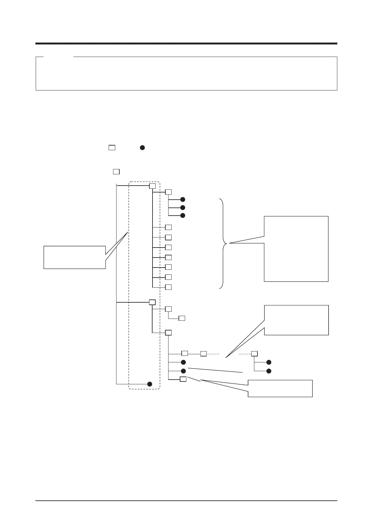
Registered management points are automatically registered in the folder for the corresponding
management point type set up under All.
NOTE
You can register a management point in two or more areas. However, you cannot register the same
management point two or more times in one area. You cannot register the same area in two or
more areas either.
Area Management point
1F North
Building A
1F South
Meeting
Room
Level 1 Level 2 Level 3 Level 4 ... Level 10
Management point A
Aisle
Management point A
Management point A
Aisle
All
Top
Indoor
Ventilator
Indoor A
Hydrobox A
AHU A
Dio
Analog
MultiState
Pulse
Outdoor
Chiller
Meeting
Room A
Example:
•Registered manage-
ment points automati-
cally belong to an
area based on their
type.
•Areas with manage-
ment points of non-
existing types are not
displayed.
Areas/Management
points displayed when
Top is touched.
The same manage-
ment point cannot be
registered with the
same area.
The same area cannot
be registered repeatedly.
Bekijk gratis de handleiding van Daikin DCM008A51, stel vragen en lees de antwoorden op veelvoorkomende problemen, of gebruik onze assistent om sneller informatie in de handleiding te vinden of uitleg te krijgen over specifieke functies.
Productinformatie
| Merk | Daikin |
| Model | DCM008A51 |
| Categorie | Niet gecategoriseerd |
| Taal | Nederlands |
| Grootte | 42750 MB |







