Curtis 1353 handleiding
Handleiding
Je bekijkt pagina 14 van 55

2 — INSTALLATION AND WIRING
Curtis 1353 CANopen Expansion Module Manual – June 2021
Return to TOC
pg. 10
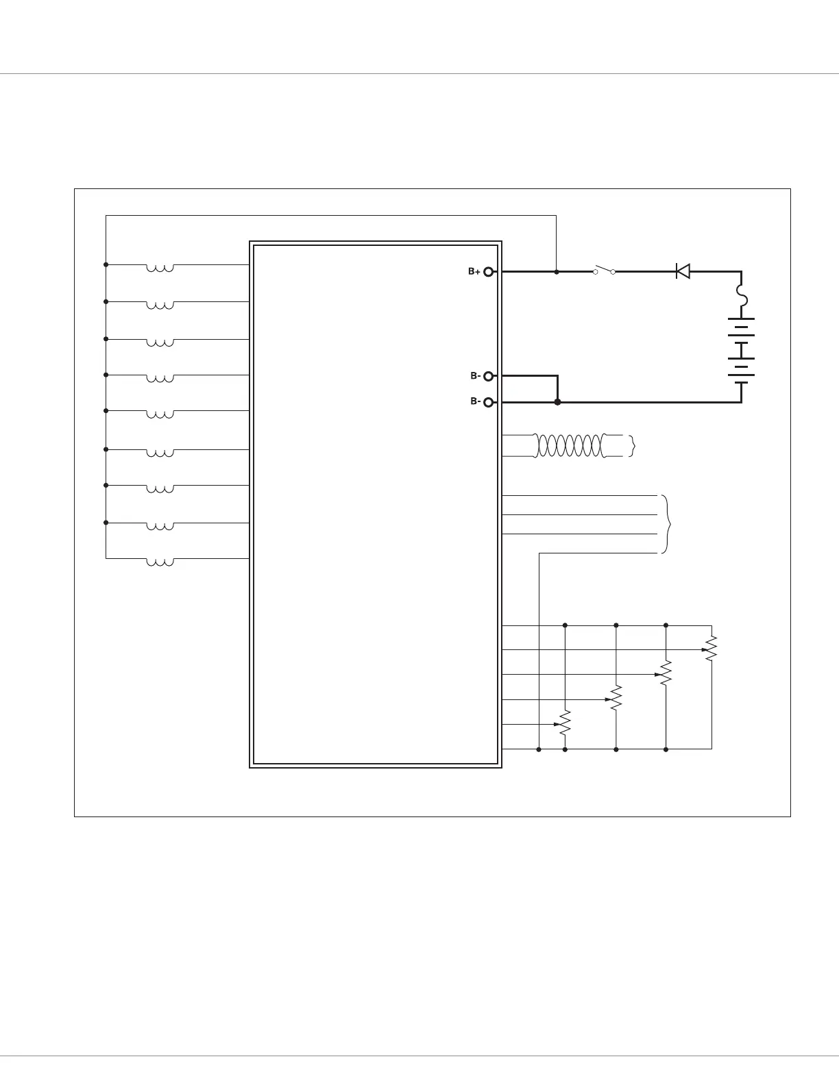
WIRING: APPLICATION EXAMPLE
The wiring diagram in Figure 4 provides an example of proportional valve control for an
electric forklift.
J1-7
J1-8
J1-2
J1-9
J1-1
J1-23
J1-22
J1-21
J1-20
J1-19
J1-18
J1-17
J1-16
J1-15
J1-3
KEYSWITCH
BATTERY
(12–80V)
REVERSE
POLARITY
PROTECTION
LIFT-UP VALVE
LOWERING VALVE
CAN PORT
1353
ANALOG INPUT 1/ENCODER 1A
ANALOG INPUT 2/ENCODER 1B
ANALOG INPUT 3/ENCODER 2A
ANALOG INPUT 4/ENCODER 2B
I/O GND
INPUT/OUTPUT 1
INPUT/OUTPUT 2
INPUT/OUTPUT 3
INPUT/OUTPUT 4
INPUT/OUTPUT 5
INPUT/OUTPUT 6
INPUT/OUTPUT 7
INPUT/OUTPUT 8
INPUT/OUTPUT 9
CAN H
CAN L
+5V
J1-14
J1-13
J1-6
J1-5
J1-4
REACH
FW/BW
J1-10
J1-11
J1-12
SERIAL PORT
(4-pin Molex)
4
3
1
2
+12V
ANALOG INPUT 6/RX
ANALOG INPUT 5/TX
TILT-UP VALVE
TILT-DOWN VALVE
SHIFT LEFT VALVE
SHIFT RIGHT VALVE
REACH FW VALVE
REACH BW VALVE
OPTION VALVE
SHIFT
LEFT/
RIGHT
TILT
UP/
DOWN
LIFT-UP/
LOWERING
Figure 4
Application example, Curtis 1353 CANopen expansion module.
Bekijk gratis de handleiding van Curtis 1353, stel vragen en lees de antwoorden op veelvoorkomende problemen, of gebruik onze assistent om sneller informatie in de handleiding te vinden of uitleg te krijgen over specifieke functies.
Productinformatie
| Merk | Curtis |
| Model | 1353 |
| Categorie | Niet gecategoriseerd |
| Taal | Nederlands |
| Grootte | 6945 MB |







