Crestron FT2A-PWR-JP-1-BASIC handleiding

12 pagina's
PDF beschikbaar

Handleiding

Je bekijkt pagina 7 van 12
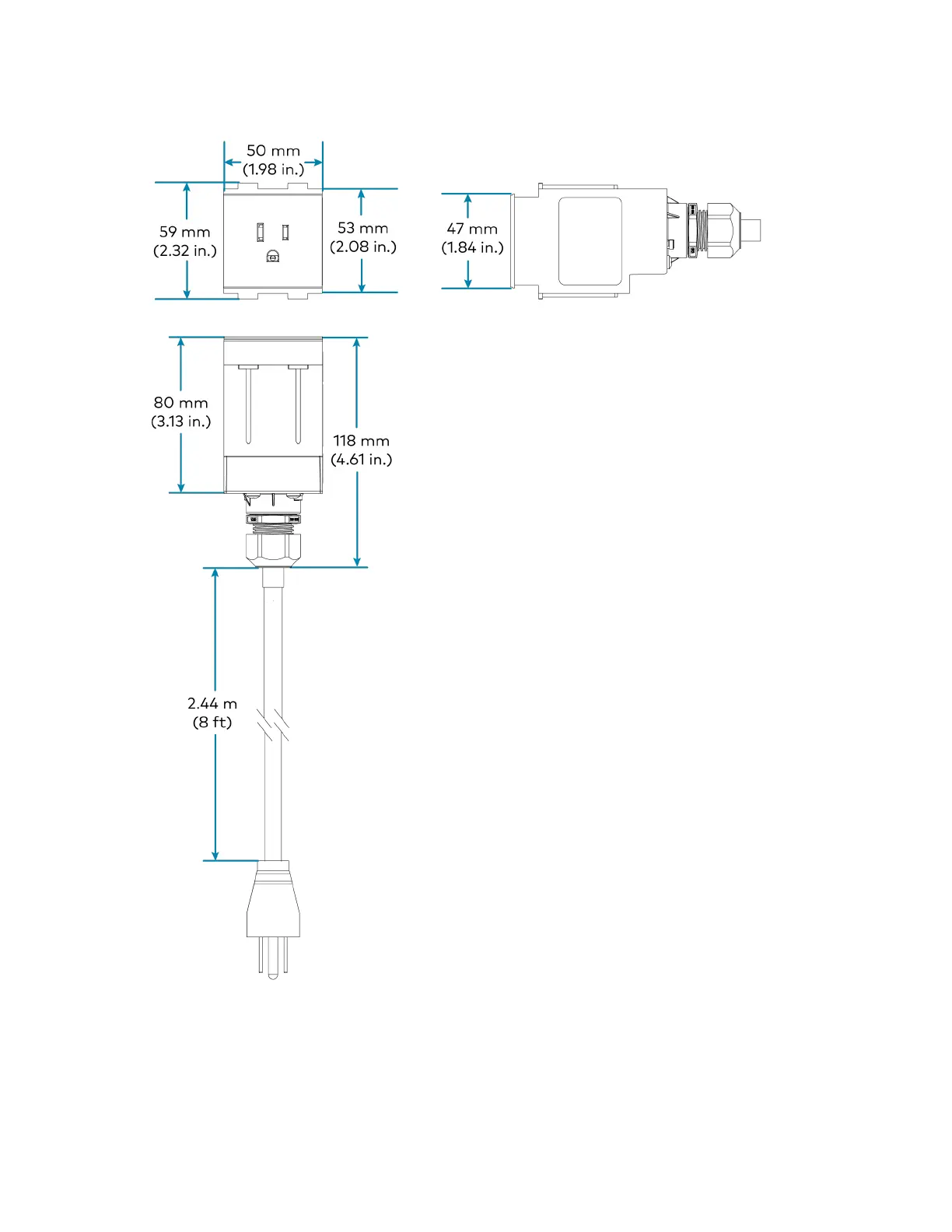
Product Manual Doc. 9401A FT2A-PWR-JP-1-BASIC 7
Dimension Drawings

Bekijk gratis de handleiding van Crestron FT2A-PWR-JP-1-BASIC, stel vragen en lees de antwoorden op veelvoorkomende problemen, of gebruik onze assistent om sneller informatie in de handleiding te vinden of uitleg te krijgen over specifieke functies.

Productinformatie

MerkCrestron
ModelFT2A-PWR-JP-1-BASIC
CategorieNiet gecategoriseerd
TaalNederlands
Grootte706 MB