Handleiding
Je bekijkt pagina 12 van 14

5925 Heisley Road • Mentor, OH 44060-1833
Call Toll-free: 877-CRES COR (273-7267) • Fax: 800-822-0393 • www.crescor.com
Retherm Oven
FL-2391
Rev. 0 (4/16)
Page 12 of 14
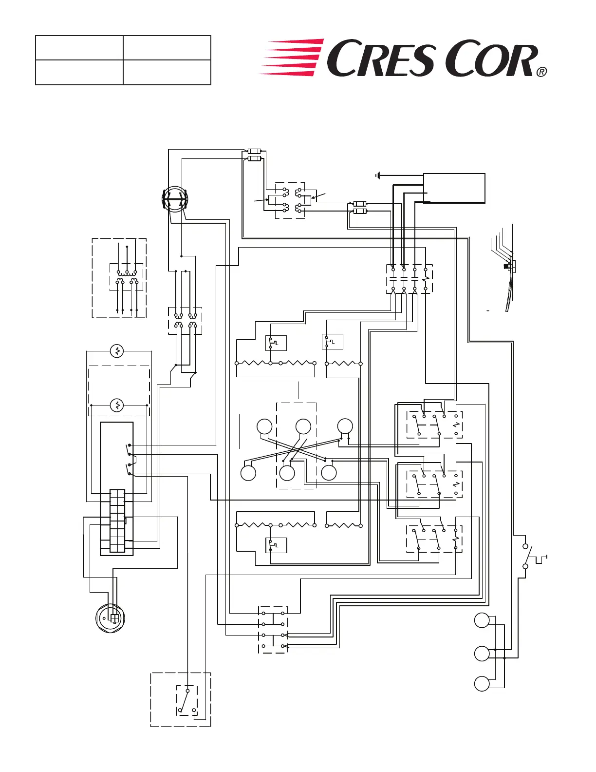
REPLACEMENT PARTS
for OVENS RR1332DE, DX SERIES 208/240V 3 Ph
Include all information
on nameplate when
ordering parts
GROUND*
*A lockwasher & nut (or
double nuts) are required on
ground bolt on top of cord's
ground terminal.
NUT
LOCK WASHER
TERMINAL
CABINET BODY
POWER CORD
8 AWG, 4 COND
FUSES
TRANSFORMER
4
1
3
2
4
1
3
2
HV
LV
jumper
jumper
BLOWER
MOTOR
BLOWER
MOTOR
BLOWER
MOTOR
BLOWER
MOTOR
BLOWER
MOTOR
BLOWER
MOTOR
6A
6A
HOLD BLOWERS
COOK BLOWERS
RETHERM BLOWERS
BLOWER MOTORS ARE 240V
AND PAIRS ARE WIRED IN
SERIES ACROSS THE 480V
LINE VOLTAGE.
HEATERS
ARE
RATED
480V AND
ARE
WIRED IN
PARALLEL.
16
15
14
13
12
11
10
9
8
7
6
5
4
3
2
1
t°
K3 K1 K2
t°
MEAT
PROBE
AIR
PROBE
20
POWER
SWITCH
(rear view)
11
10
20
21
CONTACTOR
HEATER
L1
L2
L3
HIGH LIMIT
HIGH LIMIT
HIGH LIMIT
500F
500F
500F
42
43
47
48
52
53
44
45
42
43
46
47
48
49
50
51
46
50
51
52
53
54
55
56
56
brwn
blue
L2
L1
TERMINAL BLOCK
240V PWR SW
HIGH TEMP
IMPORTANT: VENT FANS
BLOW AIR INTO APPLIANCE
closes @130F
VENT
FAN
VENT
FAN
VENT
FAN
7
8
9
A
B
4
7
1
9
6
3
RELAY3
A
B
4
7
1
9
6
3
RELAY2
A
B
4
7
1
9
6
3
RELAY1
HOLD BLOWERS
COOK BLOWERS
RETHERM BLOWERS
TRANSFORMER
BROWN
GRAY
RED
ORANGE
BROWN
RED
BLACK
7 WIRE RENAU TRANSFORMER WIRING
1
1
2
2
3
4
5
6
7
8
12
13
12
13
14
14
15
16
16
17
19
24
18
22
26
26
27
28
29
19
18
21
22
23
30
31
30
31
32
33
32
33
34
35
34
35
36
37
36
37
39
38
38
39
40
41
40
41
27
28
29
17
N
N
L
L
TRANSFORMER
GREY/RED
RED/YELLOW
BROWN/BROWN
WHITE/WHITE
BLACK/BLACK
BLUE/ORANGE
PURPLE/BLUE
YELLOW/GREY
WIRE COLORS: TRIAD/HAMMOND
RENAU CONTROL
AIR TEMP
LOOKING AT REAR
FUSES
1A
1A
82
81
A
BLOWER AIR SWITCH
3
2
1
(IF NO SWITCH, USE WIRE 25)
23
24
OPTIONAL
1
2
3
4
EXTERNAL ALARM
102
103
102
103
101
101
RO MODELS ONLY
RO MODELS ONLY
OPTIONAL
DELUXE MODELS
ONLY
Bekijk gratis de handleiding van Cres Cor RR1332DX, stel vragen en lees de antwoorden op veelvoorkomende problemen, of gebruik onze assistent om sneller informatie in de handleiding te vinden of uitleg te krijgen over specifieke functies.
Productinformatie
Merk | Cres Cor |
Model | RR1332DX |
Categorie | Oven |
Taal | Nederlands |
Grootte | 3890 MB |