Handleiding
Je bekijkt pagina 13 van 13

5925 Heisley Road • Mentor, OH 44060-1833
Call Toll-free: 877-CRES COR (273-7267) • Fax: 800-822-0393 • www.crescor.com
Convection Oven
FL-2368
Rev. 3 (2/15)
Page 13 of 13
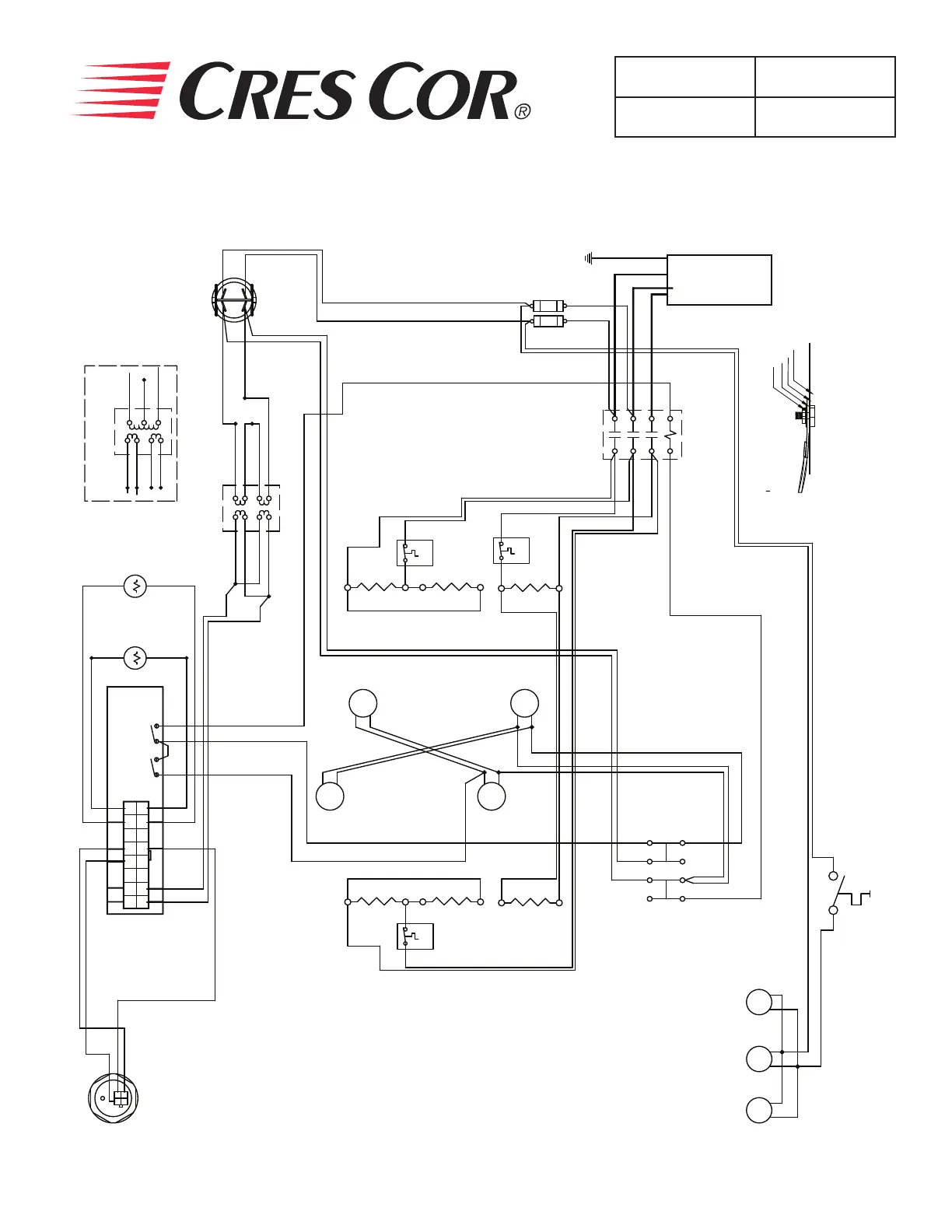
WIRING DIAGRAM
OVENS CO151F SERIES 208/240V 3 Ph
POWER
SWITCH
(rear view)
16
15
14
13
12
11
10
9
8
7
6
5
4
3
2
1
GROUND*
*A lockwasher & nut (or
double nuts) are required on
ground bolt on top of cord's
ground terminal.
t°
CONTACTOR
HEATER
brwn
blue
L1
L2
L3
L2
L1
HIGH TEMP
IMPORTANT: VENT FANS
BLOW AIR INTO APPLIANCE
NUT
LOCK WASHER
TERMINAL
CABINET BODY
POWER CORD
8 AWG., 4 COND.
TERMINAL BLOCK
closes @130F
VENT
FAN
VENT
FAN
240V PWR SW
FUSES
HIGH LIMIT
HIGH LIMIT
HIGH LIMIT
500F
500F
500F
BLOWER
MOTOR
BLOWER
MOTOR
BLOWER
MOTOR
BLOWER
MOTOR
6A
6A
t°
HOLD BLOWERS
COOK BLOWERS
MEAT
PROBE
AIR
PROBE
VENT
FAN
TRANSFORMER
BROWN
GRAY
RED
ORANGE
BROWN
RED
BLACK
7 WIRE RENAU TRANSFORMER WIRING
2
1
2
1
7
6
4
3
5
3
4
8
9
8
9
10
1011
12
12
13
13
14
14
19
20
19
20
21
21
22
23
23
22
24
25
24
25
K3 K1 K2
RENAU CONTROL
AIR TEMP
LOOKING AT REAR
26
27
28
29
26
27
30
31
32
31
32
33
34
35
34
35
36
37
36
37
38
39
40
40
30
41 42
41
42
N
N
L
L
TRANSFORMER
GREY/RED
RED/YELLOW
BROWN/BROWN
WHITE/WHITE
BLACK/BLACK
BLUE/ORANGE
PURPLE/BLUE
YELLOW/GREY
WIRE COLORS: TRIAD/HAMMOND
1
2
3
4
EXTERNAL ALARM
102
103
103
101
102
101
Bekijk gratis de handleiding van Cres Cor CO151F1818DE, stel vragen en lees de antwoorden op veelvoorkomende problemen, of gebruik onze assistent om sneller informatie in de handleiding te vinden of uitleg te krijgen over specifieke functies.
Productinformatie
Merk | Cres Cor |
Model | CO151F1818DE |
Categorie | Oven |
Taal | Nederlands |
Grootte | 3538 MB |