Handleiding
Je bekijkt pagina 13 van 13

Ovens
FL-2340-D
Rev. 3 (2/15) Page 13 of 13
Call Toll-free: 877-CRES COR (273-7267) • Fax: 800-822-0393 • www.crescor.com
5925 Heisley Road • Mentor, OH 44060-1833
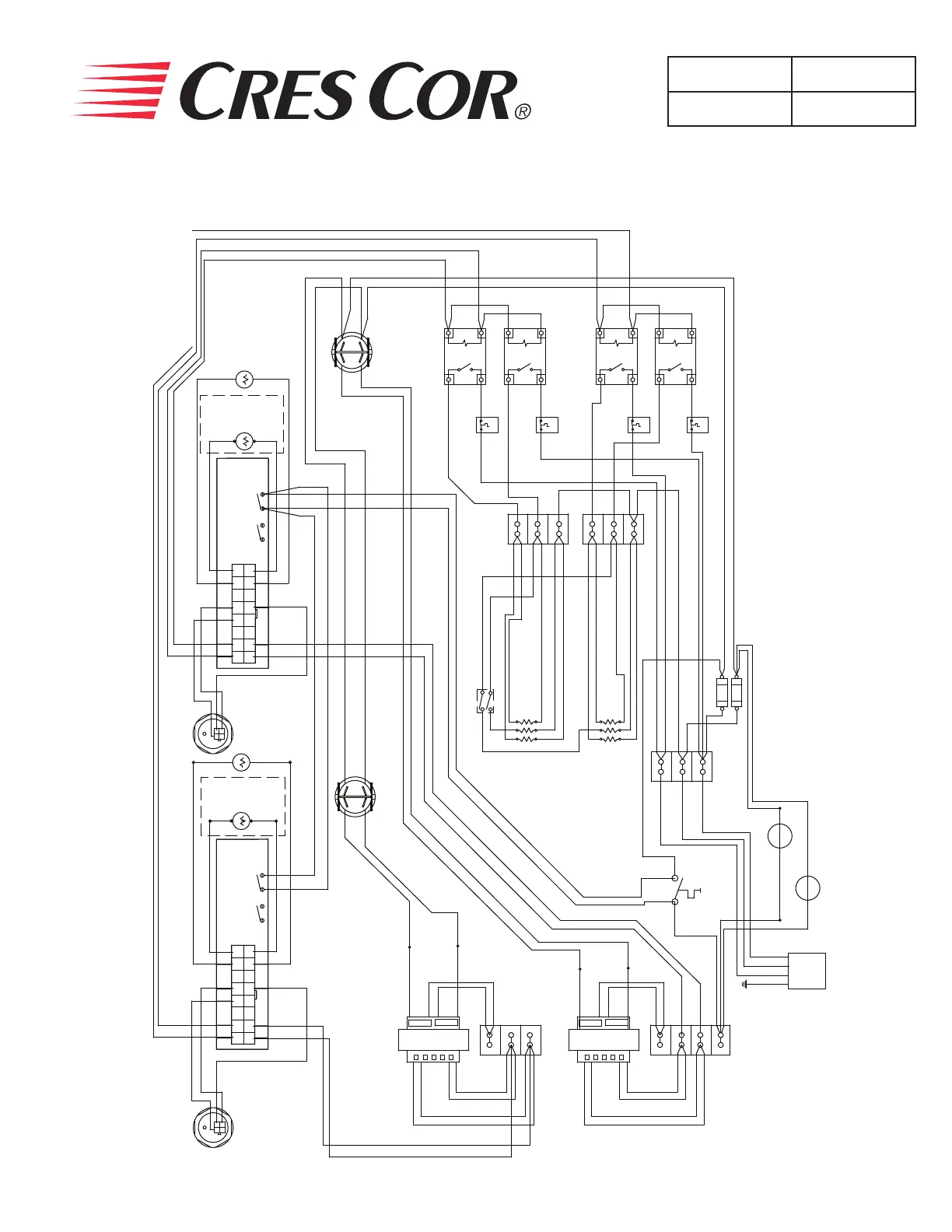
WIRING DIAGRAM FOR 1000-CH-D3
208/240 Volt, Three Phase
16
15
14
13
12
11
10
9
8
7
6
5
4
3
2
1
K3 K1 K2
RENAU CONTROL
BOTTOM CABINET
LOOKING AT REAR
t°t°
MEAT
PROBE
AIR
PROBE
16
15
14
13
12
11
10
9
8
7
6
5
4
3
2
1
K3 K1 K2
RENAU CONTROL
TOP CABINET
LOOKING AT REAR
t°t°
MEAT
PROBE
AIR
PROBE
POWER
SWITCH
(Upper Cabinet)
N
N
L
L
POWER
SWITCH
(Lower Cabinet)
N
N
L
L
TERMINAL
BLOCK
VENT
FAN
VENT
FAN
SECURE ALL WIRES
AWAY FROM FAN
BLADES
TRIAD
12
VAC
WHITE
BLACK
BLUE
BROWN
GRAY
YELLOW
PURPLE
RED
208/240
VAC
brown
blue
TRIAD
12
VAC
WHITE
BLACK
BLUE
BROWN
GRAY
YELLOW
PURPLE
RED
208/240
VAC
TERMINAL
BLOCK
UPPER CABINET
LOWER CABINET
FAN SWITCH
1
2
3
4
EXTERNAL ALARM
1
2
3
4
EXTERNAL ALARM
SOLID STATE RELAY
(Upper Cabinet)
L1 T1
A2(-) A1(+)
HIGH LIMIT
(Lower cabinet)
L1 T1
A2(-) A1(+)
SOLID STATE RELAY
(Lower Cabinet)
L1 T1
A2(-) A1(+)
L1 T1
A2(-) A1(+)
HIGH LIMIT
(Upper cabinet)
Upper
Cabinet
Heaters
Lower
Cabinet
Heaters
3A
3A
FUSES
GROUND*
POWER CORD
OPTIONAL
DELUXE
MODELS ONLY
OPTIONAL
DELUXE
MODELS ONLY
Bekijk gratis de handleiding van Cres Cor 1200CHSS2DX, stel vragen en lees de antwoorden op veelvoorkomende problemen, of gebruik onze assistent om sneller informatie in de handleiding te vinden of uitleg te krijgen over specifieke functies.
Productinformatie
Merk | Cres Cor |
Model | 1200CHSS2DX |
Categorie | Oven |
Taal | Nederlands |
Grootte | 3594 MB |