Cres Cor 1000HHSS2DE handleiding
Handleiding
Je bekijkt pagina 6 van 6

5925 Heisley Road • Mentor, OH 44060-1833
Call Toll-free: 877-CRES COR (273-7267) • Fax: 800-822-0393 • www.crescor.com
Insulated
Hot Cabinet
FL-2390
Rev. 0 (2/16) Page 6 of 6
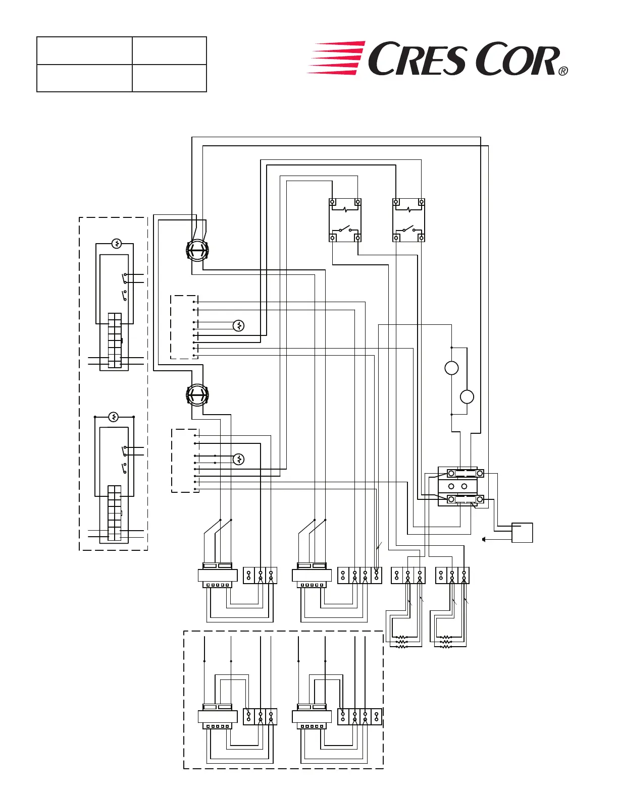
WIRING DIAGRAM
FOR 120 VOLT AND 240 VOLT
POWER
SWITCH
(UPPER CABINET)
N
N
L
L
POWER CORD
SOLID STATE RELAY
(LOWER CABINET)
L1 T1
A2(-) A1(+)
SOLID STATE RELAY
(UPPER CABINET)
L1 T1
A2(-) A1(+)
VENT
FAN
VENT
FAN
SECURE ALL WIRES
AWAY FROM FAN
BLADES
brown
blue
UPPER CABINET
LOWER CABINET
CONTROL PRODUCTS
UPPER CABINET
NO C GND 12V B W AC AC
AIR
PROBE
t°
CONTROL PRODUCTS
LOWER CABINET
CONTROL
OUTPUT
SENSOR
INPUT
POWER
12V
CONTROL
OUTPUT
SENSOR
INPUT
POWER
12V
NO C GND 12V B W AC AC
AIR
PROBE
t°
POWER
SWITCH
(LOWER CABINET)
N
N
L
L
brown
blue
UPPER CABINET
LOWER CABINET
K3 K1 K2
RENAU CONTROL
BOTTOM CABINET
LOOKING AT REAR
t°
K3 K1 K2
RENAU CONTROL
TOP CABINET
LOOKING AT REAR
t°
AIR
PROBE
AIR
PROBE
TRIAD
WHITE
BLACK
BLUE
BROWN
GRAY
YELLOW
PURPLE
RED
TRIAD
WHITE
BLACK
BLUE
BROWN
GRAY
YELLOW
PURPLE
RED
LOWER
CABINET
HEATERS
UPPER
CABINET
HEATERS
BROWN
BROWN
BLUE
BLUE
TRIAD
12
VAC
WHITE
BLACK
BLUE
BROWN
GRAY
YELLOW
PURPLE
RED
TRIAD
12
VAC
12
VAC
12
VAC
WHITE
BLACK
BLUE
BROWN
GRAY
YELLOW
PURPLE
RED
GROUND*
16
15
14
13
12
11
10
9
8
7
6
5
4
3
2
1
16
15
14
13
12
11
10
9
8
7
6
5
4
3
2
1
Bekijk gratis de handleiding van Cres Cor 1000HHSS2DE, stel vragen en lees de antwoorden op veelvoorkomende problemen, of gebruik onze assistent om sneller informatie in de handleiding te vinden of uitleg te krijgen over specifieke functies.
Productinformatie
| Merk | Cres Cor |
| Model | 1000HHSS2DE |
| Categorie | Niet gecategoriseerd |
| Taal | Nederlands |
| Grootte | 961 MB |


