Corberó CEMIWIFI1200 handleiding
Handleiding
Je bekijkt pagina 6 van 60

6
ES
CONEXIÓN ELÉCTRICA
• Si el emisor que usted p6-ha adquirido no trae incorporada una clavija, en el cable de alimenta-
ción, debe usted seguir lo indicado a continuación concerniente a la instalación eléctrica del
mismo y la conexión deberá ser realizada por un instalador cualicado.
• En la conexión eléctrica del aparato, deberán ser incorporados medios de desconexión a la
instalación ja de acuerdo con las reglamentaciones de instalación vigentes en el país en que
vaya a ser instalado.
• Por seguridad antes de proceder a la conexión vericar que no existe tensión en la red.
• Antes de conectar el aparato a la red eléctrica debe asegurarse que el voltaje de suministro
es el indicado en la placa de características 230V.
• El aparato debe ser conectado al conductor de protección de la instalación ja.
• Cualquier incidencia derivada del incumplimiento de dichas instrucciones, invalidará la garantía.
• En la conexión debe respetarse estrictamente lo indicado en el esquema eléctrico con espe-
cial atención a los colores de los cables.
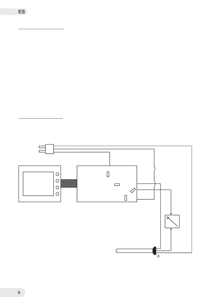
ESQUEMA ELÉCTRICO
ADVERTENCIAS GENERALES
L
R2
R1
N
R-Resistencia/Resistência
Ts-Termostato de seguridad/Termostato de segurança
Ts
Azul/Azul/Blue
Placa de potencia
Placa eletronica
Power plate
Marrón/Marrom/Brown
R
Amarillo/verde (Solo en Clase I)
Amarelo/verde (Apenas na Classe I)
Yellow/Green (Only Class I)
Bekijk gratis de handleiding van Corberó CEMIWIFI1200, stel vragen en lees de antwoorden op veelvoorkomende problemen, of gebruik onze assistent om sneller informatie in de handleiding te vinden of uitleg te krijgen over specifieke functies.
Productinformatie
| Merk | Corberó |
| Model | CEMIWIFI1200 |
| Categorie | Niet gecategoriseerd |
| Taal | Nederlands |
| Grootte | 6730 MB |






