Cooking Performance Group 351S36G24 handleiding

51 pagina's
PDF beschikbaar

Handleiding

Je bekijkt pagina 51 van 51
www.cookingperformancegroup.com 51
Parts Manual
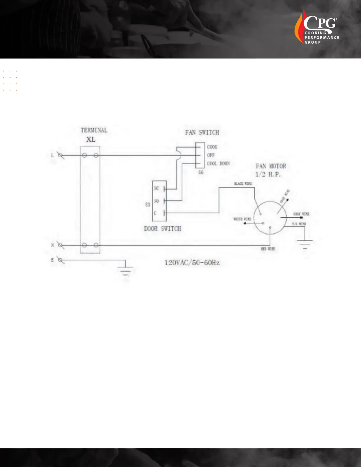
Wiring Diagram
www.cookingperformancegroup.com 51
Parts Manual
Wiring Diagram
www.cookingperformancegroup.com 51
Parts Manual
Wiring Diagram
. www.cookingperformancegroup.com
51
Parts Manual

Bekijk gratis de handleiding van Cooking Performance Group 351S36G24, stel vragen en lees de antwoorden op veelvoorkomende problemen, of gebruik onze assistent om sneller informatie in de handleiding te vinden of uitleg te krijgen over specifieke functies.

Productinformatie

MerkCooking Performance Group
Model351S36G24
CategorieFornuis
TaalNederlands
Grootte21283 MB