Cleco DGD 946823D7 handleiding
Handleiding
Je bekijkt pagina 10 van 54

10
P1713E-EN
2013-12
EN
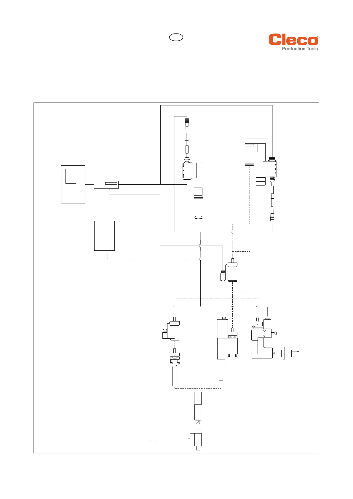
3.1.2 Torque-Controlled
System Overview
Built-in nutsetter BB / BUB size 1 - 4
Torque range 5 ... 1100 Nm
a00317_1.eps
BB motor module
Straight
attachment
Chuck
Transducer
Angle head attachment with
integrated transducer
Spring attachment
Transducer
Offset attachment with
integrated transducer
Measuring
case MPK
mPro400…
STM
BuB motor module
Transducer
Bekijk gratis de handleiding van Cleco DGD 946823D7, stel vragen en lees de antwoorden op veelvoorkomende problemen, of gebruik onze assistent om sneller informatie in de handleiding te vinden of uitleg te krijgen over specifieke functies.
Productinformatie
| Merk | Cleco |
| Model | DGD 946823D7 |
| Categorie | Niet gecategoriseerd |
| Taal | Nederlands |
| Grootte | 5397 MB |







