Handleiding
Je bekijkt pagina 76 van 96

FR
Montage
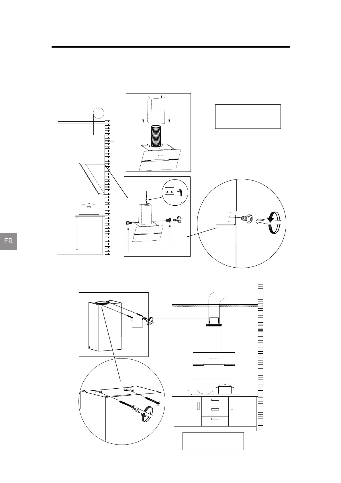
13) Mettez la cheminée inférieure sur la hotte et la fixez au trou
correspondant de la hotte avec deux vis de 4*8 mm (Remarque: Le
cordon d'alimentation doit connecter l'alimentation par la
cheminée).
14) Fixez le support de cheminée inférieur sur le mur aux trous
correspondants avec deux vis de 4*30 mm.
Power Plug
4*8mm Vis
Composants:
Part 3: 4*8mm Vis X 2
4*30mm
Vis
Composants:
Part 2: 4*30mm vis X 2
74
Bekijk gratis de handleiding van Ciarra CD6736HB, stel vragen en lees de antwoorden op veelvoorkomende problemen, of gebruik onze assistent om sneller informatie in de handleiding te vinden of uitleg te krijgen over specifieke functies.
Productinformatie
| Merk | Ciarra |
| Model | CD6736HB |
| Categorie | Afzuigkap |
| Taal | Nederlands |
| Grootte | 13527 MB |







