Chauvin Arnoux C.A 6503 handleiding
Handleiding
Je bekijkt pagina 8 van 57

Français
8 C.A 6503
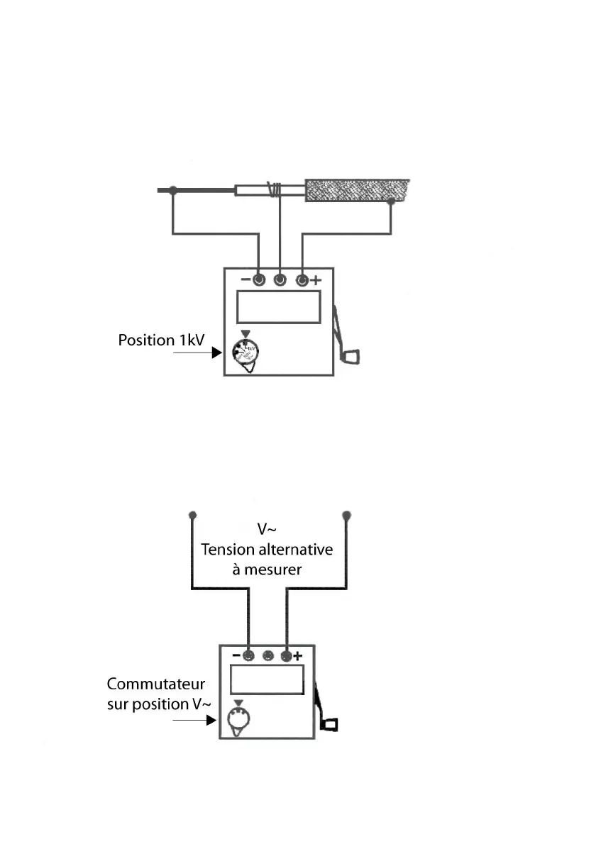
Dans le cas d’une mesure sous 1000V, pour éviter que les courants de fuite
superficiels ne perturbent la mesure d’isolement, il convient de réaliser un circuit
de garde (fig. 3) en utilisant la borne de garde « G ».
Fig. 3
3.2.2. Mesure de Tension alternative
La mesure de tension
alternative s’effec
tue de 0
à 600V
AC
en une seule
gamme (impédance
d'entrée : 100kΩ
),
commutateur en position
V.
Bekijk gratis de handleiding van Chauvin Arnoux C.A 6503, stel vragen en lees de antwoorden op veelvoorkomende problemen, of gebruik onze assistent om sneller informatie in de handleiding te vinden of uitleg te krijgen over specifieke functies.
Productinformatie
| Merk | Chauvin Arnoux |
| Model | C.A 6503 |
| Categorie | Niet gecategoriseerd |
| Taal | Nederlands |
| Grootte | 5138 MB |







