Champion DH3000 handleiding
Handleiding
Je bekijkt pagina 21 van 79

INSTALLATIONINSTALLATION
OPTIONAL PUMPED DRAIN WATER TEMPERING (DWT)
CAUTION
All plumbing connections MUST be positioned
to allow the unit to be moved for servicing.
CAUTION
All plumbing connections must be made by qualied personnel
familiar with warewashing equipment in accordance with all
local sanitation, safety, and plumbing codes.
ATTENTION
For machines equipped with gravity drains, electric drain water tempering is the standard option. For machines
equipped with a pumped drain, only use the mechanical drain water tempering option Kit P/N 901268.
(cont. on next page)
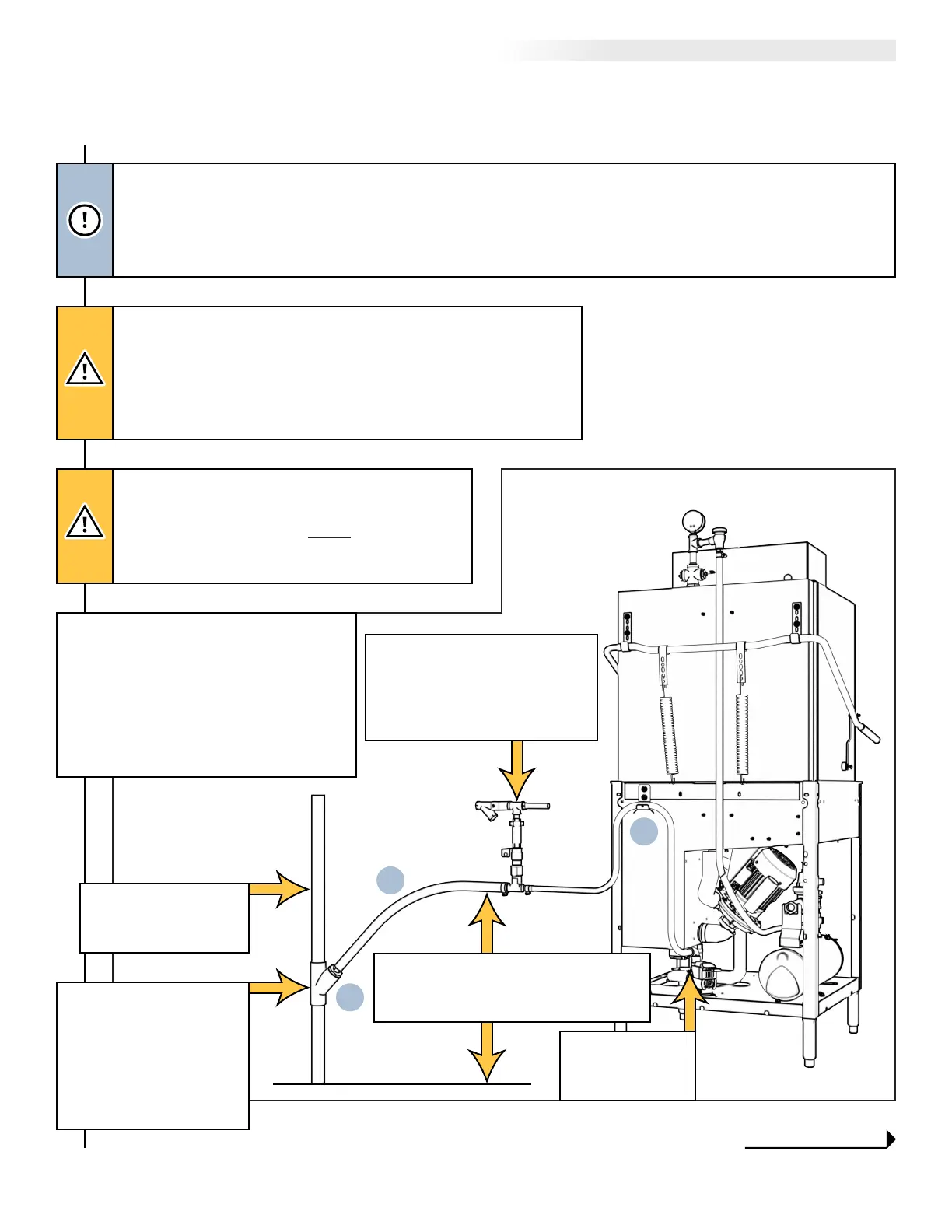
Fig. 22 - Mechanical Drain Water Tempering Plumbing
DO NOT:
A. Add extension to drain hose.
B. Remove or modify siphon loop.
C. Substitute the supplied 3/4" NPT
drain hose adapter tting.
A
B
C
WYE tting
(supplied by others).
Use supplied
3/4" NPT drain
hose adapter.
Vented drain line
Drain pump
18" Optimum (not to exceed 5 ft.)
Drain Tempering Valve
Assembly (Mount to wall
with supplied wall bracket.)
Finished oor
21
Bekijk gratis de handleiding van Champion DH3000, stel vragen en lees de antwoorden op veelvoorkomende problemen, of gebruik onze assistent om sneller informatie in de handleiding te vinden of uitleg te krijgen over specifieke functies.
Productinformatie
Merk | Champion |
Model | DH3000 |
Categorie | Vaatwasser |
Taal | Nederlands |
Grootte | 9847 MB |