Champion 18890 handleiding

20 pagina's
PDF beschikbaar

Handleiding

Je bekijkt pagina 17 van 20
14
18890 ENGLISH
SPECIfICATIONS
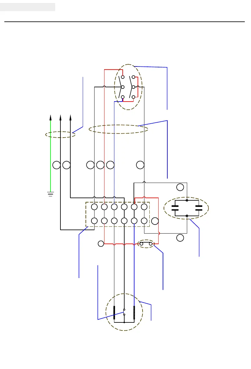
Wiring Diagram
Green
1
Black
White
3
Black
12
Red
9
Blue
10
White
11
White
Black
Blue U1
Z2
U2Z1
8
Red
7
Red
4
Black
5
Black
Terminal Block
Motor
Thermal Protection
Switch(Down/Up)
Capacitor
Micro-Switch
UP
4-Core Control Cable
3-Core Power Cable
DOWN
Red
Red

Bekijk gratis de handleiding van Champion 18890, stel vragen en lees de antwoorden op veelvoorkomende problemen, of gebruik onze assistent om sneller informatie in de handleiding te vinden of uitleg te krijgen over specifieke functies.

Productinformatie

MerkChampion
Model18890
CategorieNiet gecategoriseerd
TaalNederlands
Grootte2091 MB