Champion 14560 handleiding

21 pagina's
PDF beschikbaar

Handleiding

Je bekijkt pagina 12 van 21
9
ENGLISH 14560
ASSEMBLY
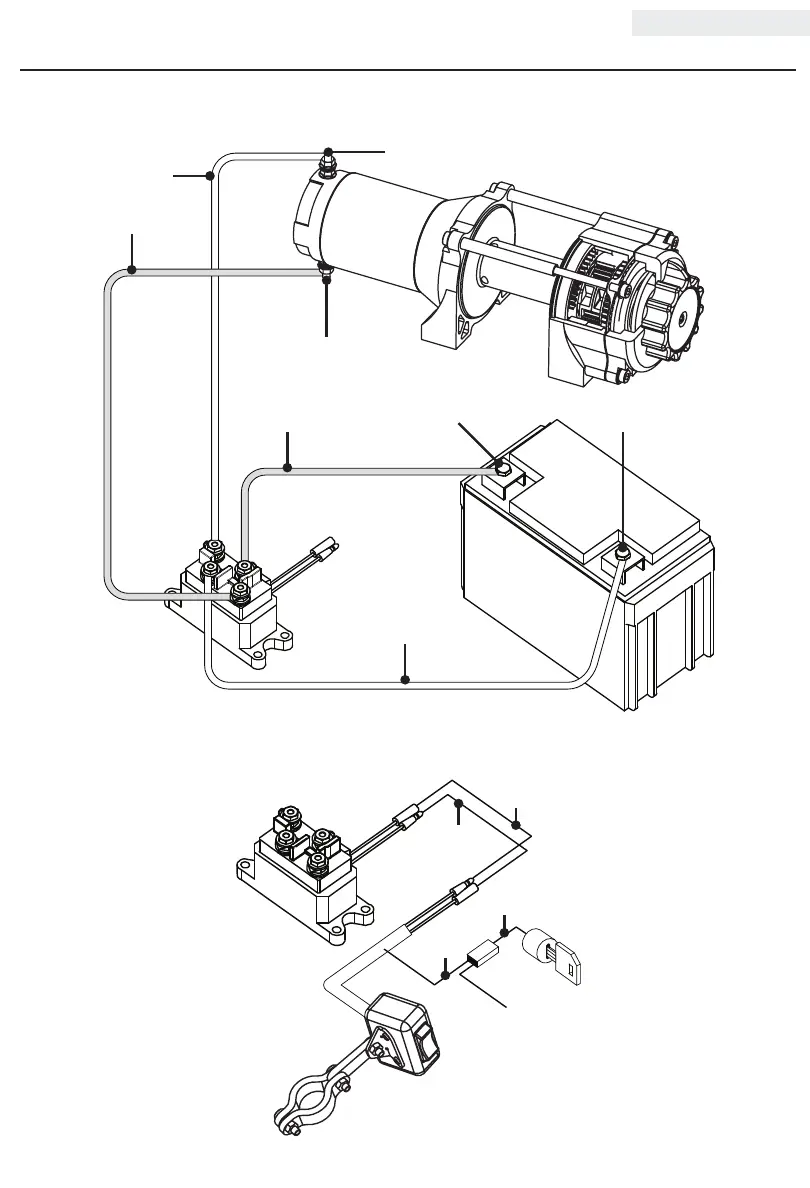
Wiring Diagram
Switch Wiring Diagram
Green
Red
Ignition Wire
Black
Negative (–)
Positive (+)
Negative (–)
Blue
Positive (+)
Yellow
Red
Black
To Switch And
Remote Wiring
(See Below)

Bekijk gratis de handleiding van Champion 14560, stel vragen en lees de antwoorden op veelvoorkomende problemen, of gebruik onze assistent om sneller informatie in de handleiding te vinden of uitleg te krijgen over specifieke functies.

Productinformatie

MerkChampion
Model14560
CategorieNiet gecategoriseerd
TaalNederlands
Grootte2566 MB