Cecilware PIC3 handleiding

68 pagina's
PDF beschikbaar

Handleiding

Je bekijkt pagina 64 van 68
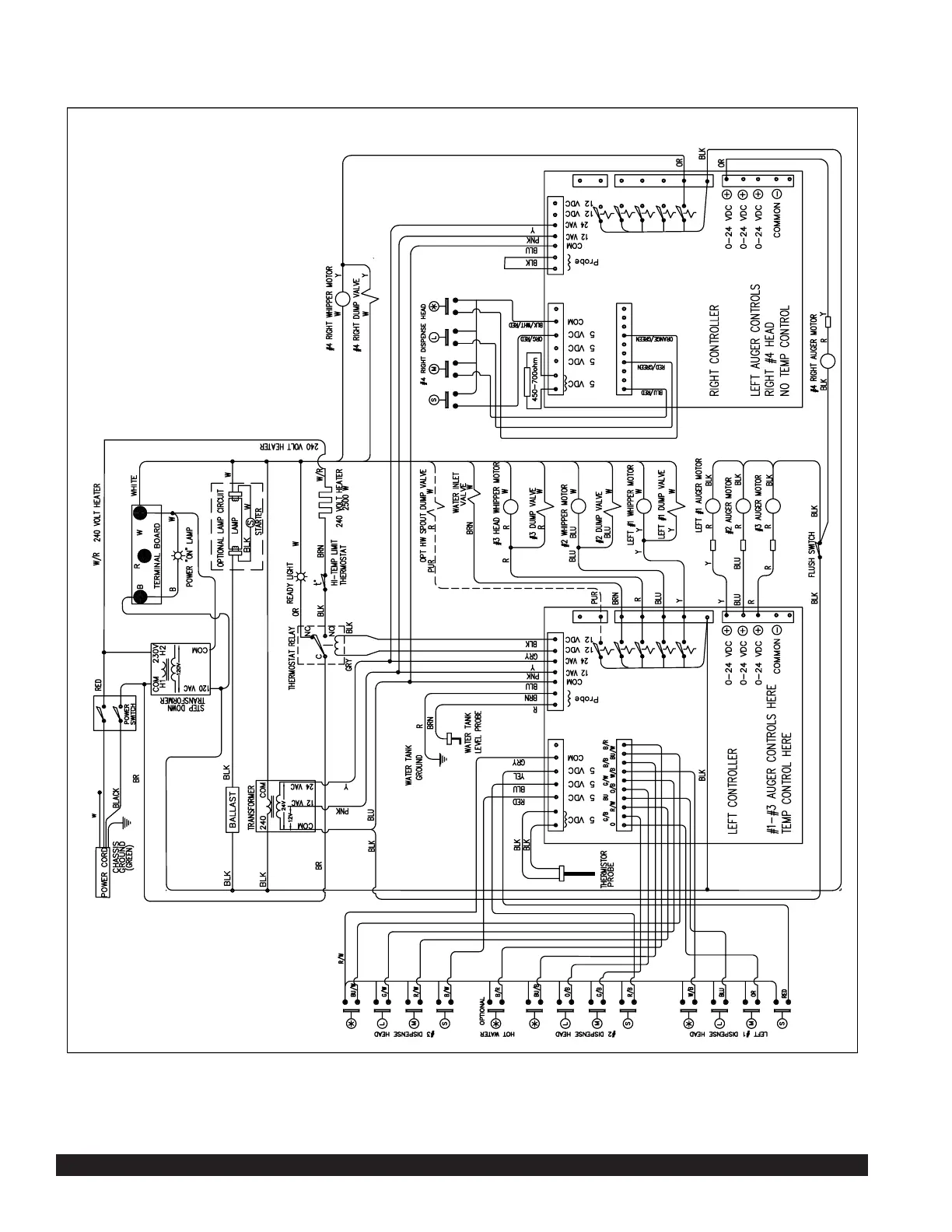
PIC43AZ and PIC43AWZ Model Wiring with 3-Portion Touchpad
Page 64 Crathco® Powdered Beverage Dispensers

Bekijk gratis de handleiding van Cecilware PIC3, stel vragen en lees de antwoorden op veelvoorkomende problemen, of gebruik onze assistent om sneller informatie in de handleiding te vinden of uitleg te krijgen over specifieke functies.

Productinformatie

MerkCecilware
ModelPIC3
CategorieKoelkast
TaalNederlands
Grootte14006 MB