Cecilware PIC3 handleiding

68 pagina's
PDF beschikbaar

Handleiding

Je bekijkt pagina 50 van 68
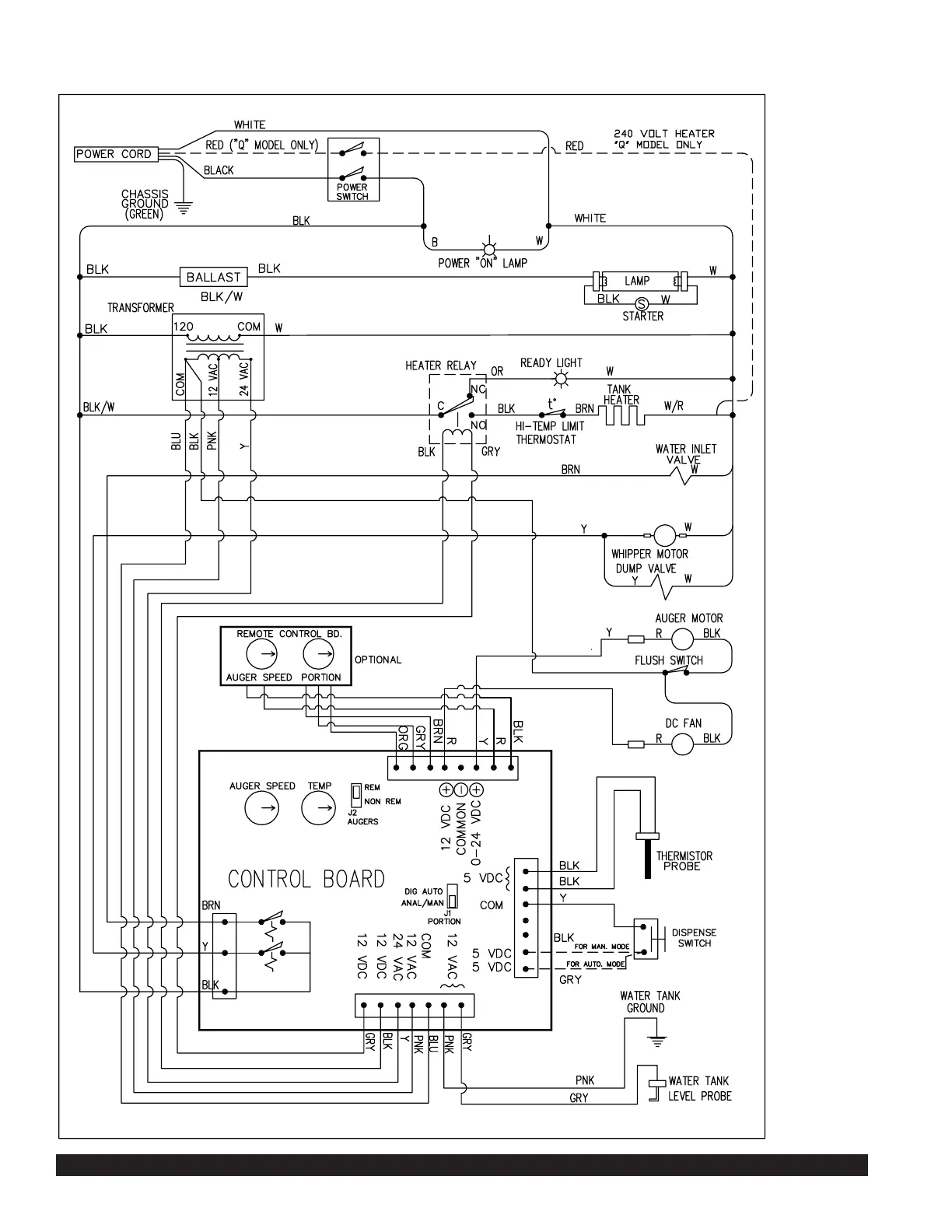
Page 50 Crathco® Powdered Beverage Dispensers
PIC 1 120V and 120/240V “Q” Model Wiring

Bekijk gratis de handleiding van Cecilware PIC3, stel vragen en lees de antwoorden op veelvoorkomende problemen, of gebruik onze assistent om sneller informatie in de handleiding te vinden of uitleg te krijgen over specifieke functies.

Productinformatie

MerkCecilware
ModelPIC3
CategorieKoelkast
TaalNederlands
Grootte14006 MB