Handleiding
Je bekijkt pagina 12 van 58

FR - 10
Puissance (kW) Nombres d'allures Puissance (kW) Nombre d'allures
Option A
Taille 025 15 2 30 4
Taille 040 24 2 48 4
Taille 060 33 2 66 4
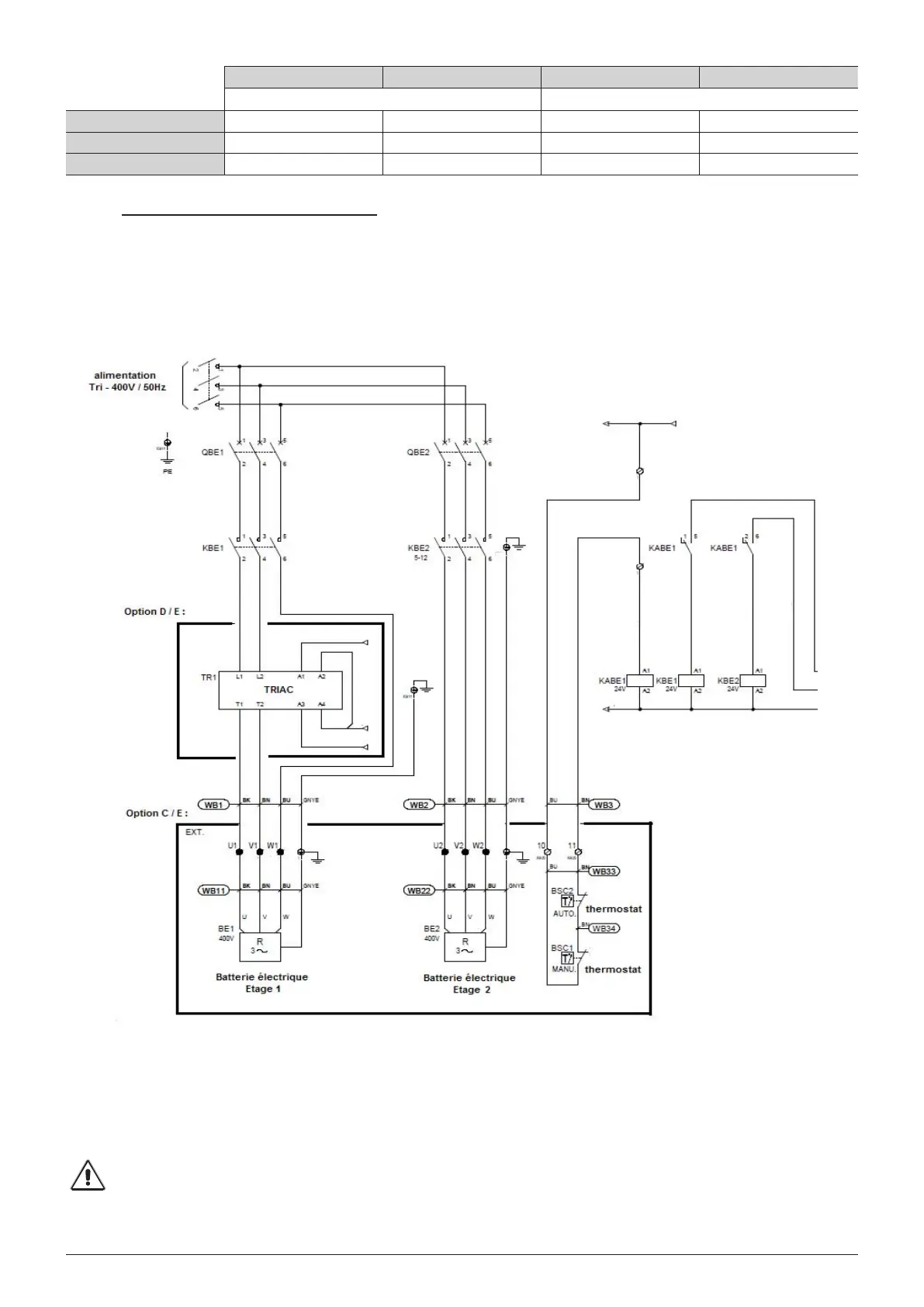
Avec coffret électrique : TOR ou TRIAC :
Coffret non disponible pour l’option A.
Options coffret :
o Option B : TOR (2 étages) / monté et câblé
o Option C : TOR (2 étages) / coffret non monté et non câblé
o Option D : modulant avec TRIAC (1 étage TOR + 1 étage modulant)
o Option E : modulant avec TRIAC (1 étage TOR + 1 étage modulant) / coffret non monté et non câblé
Commande
A câbler :
- Alimentation Tri – 400V
- Commande / protection
- Option C et E : à câbler entre le coffret électrique et le bornier des résistances. Fourniture du câble à la charge du
client (Cf. 4.6.2 : sans coffret).
L’enclenchement des étages de la batterie électrique ou la modulation de puissance doivent être asservis au débit d’air
de la CTA. Une post-ventilation doit obligatoirement être prévue par le lot régulation.
Bekijk gratis de handleiding van Carrier 39CQ, stel vragen en lees de antwoorden op veelvoorkomende problemen, of gebruik onze assistent om sneller informatie in de handleiding te vinden of uitleg te krijgen over specifieke functies.
Productinformatie
Merk | Carrier |
Model | 39CQ |
Categorie | Airco |
Taal | Nederlands |
Grootte | 9883 MB |