Calorex Delta handleiding
Handleiding
Je bekijkt pagina 58 van 84

58
SD675650 ISSUE 6 M172 DELTA
DELTA SYSTEM OWNER INSTALLATION MANUAL
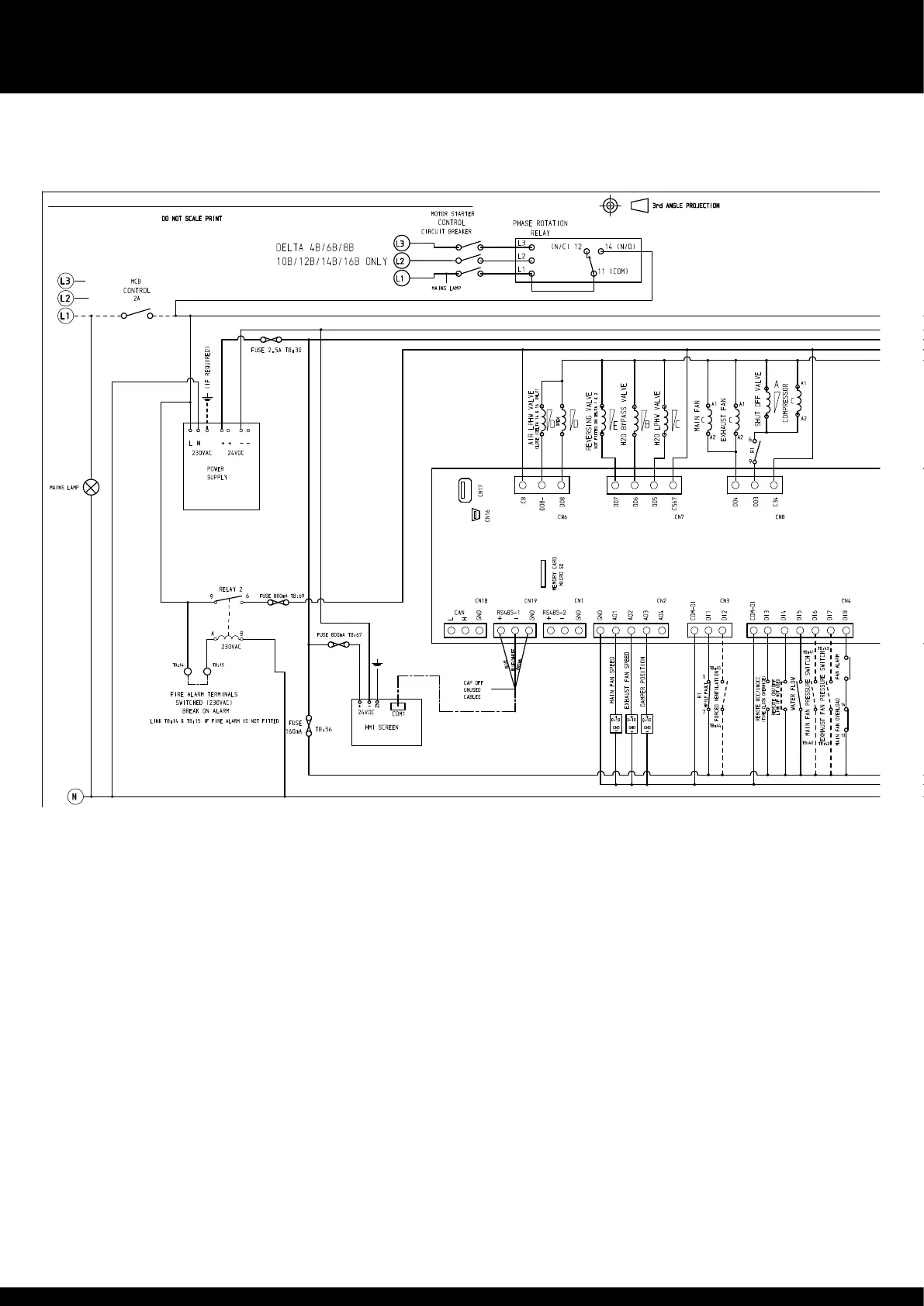
4.2 CIRCUIT DIAGRAMS
ELECTRICAL CONTROL CIRCUIT ALL MODELS DELTA 1 TO DELTA 16
RELAY FUNCTIONS
TB:11 TB:13
TB:10 TB:12
COMPRESSOR CONTACTOR
FIRE ALARM
AIR QUALITY SENSOR
ELECTRICAL CONTROL CIRCUIT ALL MODELS DELTA 1 TO DELTA 16
RELAY FUNCTIONS
TB:11 TB:13
TB:10 TB:12
COMPRESSOR CONTACTOR
FIRE ALARM
AIR QUALITY SENSOR
Bekijk gratis de handleiding van Calorex Delta, stel vragen en lees de antwoorden op veelvoorkomende problemen, of gebruik onze assistent om sneller informatie in de handleiding te vinden of uitleg te krijgen over specifieke functies.
Productinformatie
| Merk | Calorex |
| Model | Delta |
| Categorie | Niet gecategoriseerd |
| Taal | Nederlands |
| Grootte | 13120 MB |







