Handleiding
Je bekijkt pagina 28 van 36

KOOK60 - KOOK80 - KOOK90 - SMART60 - SMART80 - FRIDA 80
28
PROBLEM CAUSE SOLUTION INTERVENTO
The glass blackens
excessively
Lack of chimney
draught
Open the registers completely. (If the problem persists, contact and
expert stove repairer who will check the chimney flue efficiency).
Too humid wood Use well seasoned wood
Too slow combustion
Open air registers in order to increase the fire and fume output
temperature.
Bad quality fuel Use fuel described in
Cooker overheating
Too much wood
in the heart (red
coloured plate or
oven over 300°C)
Close all registers and open the oven door in order to have a faster
cooling.
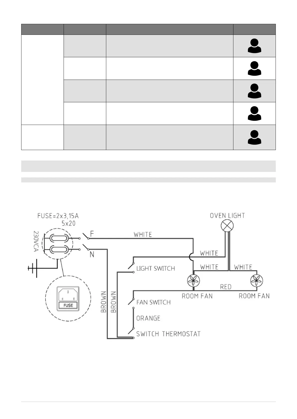
9 TECHNICAL DATAS
9.1 WIRING SCHEME
For models endowed with ventilation system, please follow the following wiring scheme:
Fig. 76 - Wiring scheme
Bekijk gratis de handleiding van Cadel Kook 80, stel vragen en lees de antwoorden op veelvoorkomende problemen, of gebruik onze assistent om sneller informatie in de handleiding te vinden of uitleg te krijgen over specifieke functies.
Productinformatie
| Merk | Cadel |
| Model | Kook 80 |
| Categorie | Fornuis |
| Taal | Nederlands |
| Grootte | 10998 MB |
Caratteristiche Prodotto
| Apparaatplaatsing | Vrijstaand |
| Kleur van het product | Anthracite, Stainless steel |
| Ingebouwd display | Nee |
| Gewicht | 126000 g |
| Breedte | 800 mm |

