Handleiding
Je bekijkt pagina 61 van 63

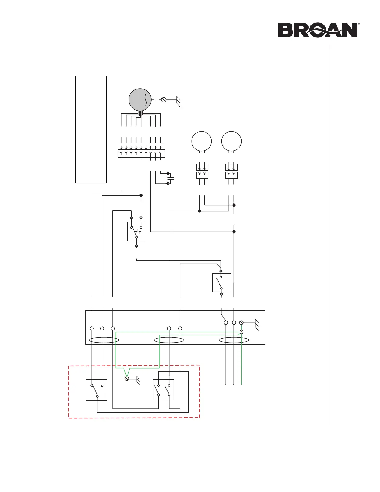
INSTRUCCIONES DE INSTALACIÓN, USO Y CUIDADO
DIAGRAMA DE CABLEADO
19
PMA400SS
BLK
3
4
6
8
9
2
1
2
1
REF: 1104526_REV-A
1
3
2
1
3
2
1
3
2
5
7
WHT
2
ALTA VELOCIDAD
BAJA VELOCIDAD
LUCES
1
ALIMENTACIÓN
DE LAS LUCES
ALIMENTACIÓN DEL MOTOR
SELECCIÓN DE LA
VELOCIDAD
DEL MOTOR
INTERRUPTORES
MURALES ADA
Cable n.° 1
Cable n.° 2
LED
LED
PPL
RED
WHT
BRN
GRY
ORA
BLK
M
GRN/Y
BLU
PPL
(VELODIDAD 1)
ORA (VELOCIDAD 2)
WHT
BRN
GRY
17µF
BLU
WHT
BLU
WHT
WHT
BLK
WHT
BLK
WHT
BRN
ORA
PPL
ORA
RED
BLU
BRN
WHT
WHT
BLK
BLK
RED
ENCENDIDO/APAGADO
DEL
MOTOR
ENCENDIDO/APAGADO
DE
LA LUZ
HE0446E
CÓDIGO DE COLORES
WHT
BLU
BRN
GRY
BLK
BLANCO
AZUL
CAFÉ
GRIS
NEGRO
ORG
PPL
RED
GRN/YEL
NARANJA
VIOLETA
ROJO
VERDE/AMARILLO
INTERRUPTOR
PRINCIPAL
TERMOSTATO
HEAT SENTRY
CAJA DE
CONEXIONES
LíNEA / 120 VCA
N
EUTRO
TOMA DE TIERRA
Bekijk gratis de handleiding van Broan PMA400SS, stel vragen en lees de antwoorden op veelvoorkomende problemen, of gebruik onze assistent om sneller informatie in de handleiding te vinden of uitleg te krijgen over specifieke functies.
Productinformatie
| Merk | Broan |
| Model | PMA400SS |
| Categorie | Afzuigkap |
| Taal | Nederlands |
| Grootte | 8839 MB |







