Broan GLA1363WH handleiding

90 pagina's
PDF beschikbaar

Handleiding

Je bekijkt pagina 25 van 90
25
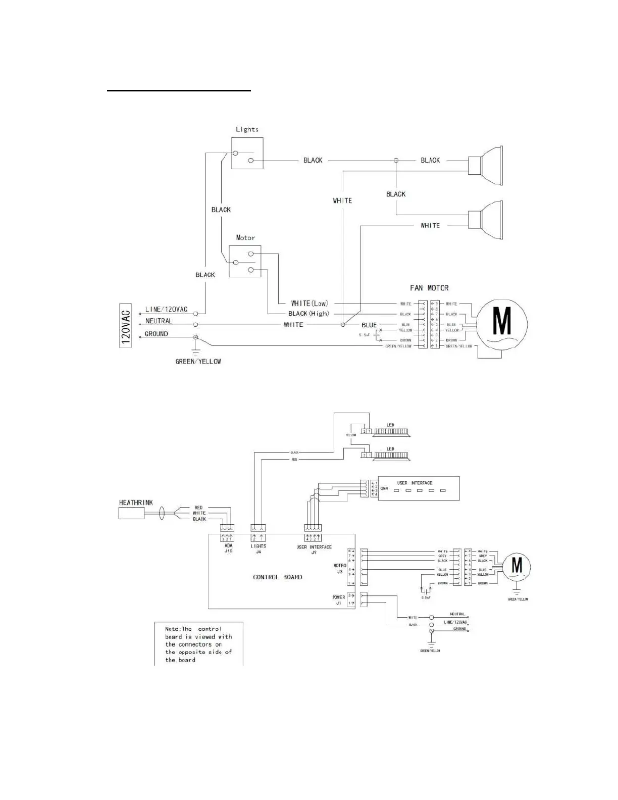
WIRING DIAGRAM
GLA1& MTR1 series:
GLA2& MTR2 series:

Bekijk gratis de handleiding van Broan GLA1363WH, stel vragen en lees de antwoorden op veelvoorkomende problemen, of gebruik onze assistent om sneller informatie in de handleiding te vinden of uitleg te krijgen over specifieke functies.

Productinformatie

MerkBroan
ModelGLA1363WH
CategorieAfzuigkap
TaalNederlands
Grootte16752 MB