Handleiding
Je bekijkt pagina 38 van 44

16
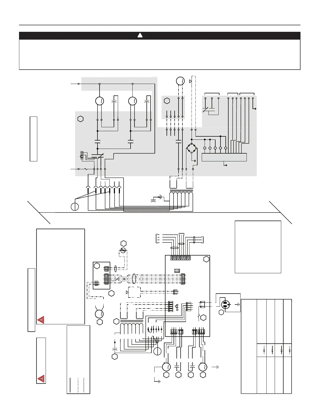
6. DIAGRAMAS DE CABLEADOS (CONTINUACIóN)
ADVERTENCIA
• Riesgo de descarga eléctrica. Antes de cualquier trabajo de reparación o mantenimiento, desconecte siempre el
aparato de su fuente de alimentación.
• Este producto está equipado con una protección contra la sobrecarga (fusible). Un fusible fundido indica que
se p38-ha producido una sobrecarga o cortocircuito. Si el fusible se funde, desenchufe el aparato. Deje de utilizar el
aparato y póngase en contacto con el servicio de asistencia técnica.
!
Control a distancia del
cableado in situ
(véanse las notas 3 y 4)
120 V, 60 Hz
W1
J5
J7
J6
J4
UNIDAD
ELECTRONICA
1
2
3
1
2
1
2
1
2
3
1234
12
12345
12345
J8
J9
J11
J10
12
J12
J13
J14
10
9
8
7
6
5
4
3
2
1
NE
24 V
clase 2
9.5 V
clase 2
Cable neutro de
120V, 60Hz
Línea de
120 V, 60 Hz
CPU
K2
K4
K5
J5-2
J10-1J10-2
Véanse nota 1
120 V
106 V
81 V
neutro
Interuptor de
interbloqueo de la puerta
Motor del vent.
de
extracción
1234512
12
J3
J2
J1
t°
Motor del registro
NE
Interruptor
de anulación
Interbloqueo del ventilador
impelente de la caldera
J14-1 : NO
J14-2 : COM
J14-3 : sc
(opcional; véanse las
notas 3 y 5)
UNIDAD
ELECTRÓNICA
DEL REGISTRO
Sensor de la temperatura
de deshielo
DIAGRAMA DE CABLEADOS
DIAGRAMA LÓGICO
Motor del ventilador
de extracción
Motor del ventilador
de inyección
J5-1
J5-3
J7-2
J7-1
J4-1
J4-3
J6-2
J6-1
K1
K3
K2
24 V
clase 2
9.5 V
clase 2
120 V
neutro
J9-1
J9-2
J9-3
J4-2
J9-4
Condensador del motor
del vent. de extracción
Condensador del motor
del vent. de inyección
J8-1
J8-2
J8-4
J8-5
K4
J12-2
J12-1
A1
Motor del registro
J3-2
J3-1
J2-2
J2-1
F1
J12-5
J12-4
J12-3
J2-3
J2-4
J2-5
Interruptor del interbloqueo
J11-2
J11-1
K1
K3
K5
J14-3
J14-1
J14-2
Interbloqueo del
vent. impelente
de la caldera
(opcional;
véanse las
notas 3 y 5)
J14-4
J14-5
J14-6
J14-7
J14-8
J14-9
J14-10
Interruptor
de anulación
(opcional;
véanse notas
3 y 4)
Control a
distancia del
cableado
in situ
(véanse
las notas
3 y 4)
ICP
NE
ARV
B B
NE
B
AZ
G
NE
AZ
M
M
R
R
R
R
NE
AZ
Condensador del
motor
del vent de
extracción
Condensador
del motor
de inyección
Motor del vent.
de inyección
V
V
N
N
A
A
NE
B
A2
A2
M3
T1
S1
R1
A1
F1
M1
C1
C2
M2
(opcional; véanse
las notas 3 y 4)
VE0439E
CODIGOS DE LOS COLORES
NE NEGRO
AZ AZULE
M MARRÓN
GGRIS
RROJO
B BLANCO
A AMARILLO
sc sin connexión
Característica crítica.
accionado
magnéticamente
JU1
1
23
MED ALTA
321
ALTA MED
JU1
NOTAS
1. Protegido contra incendios por un fusible
(de tipo 3A o 3AG) certificado UL listed/CSA.
2. Si hay que sustituir algunos de los cables
originales, utilice cable equivalente.
3. La conexión in situ de la instalación debe
respetar los codigos, ordenenzas y reglamentos
aplicables.
4. Controles a distania (circuitos de clase 2) disponibes,
céase el manual de instrucciones.
5. El cicuito del ventilador de la caldera debe ser
un circuito de clase 2 únicamente.
Ref
1
Ref
1
SELECCIÓN DE LAS VELOCIDADES DE LOS MOTORES
REGLAJE Ref 1 REGLAJE BAJA VELOCIDAD
Configurado en fábrica
Opcional baja 1
Opcional baja 2
MR
PR
GR
71 V
64 V
57 V
R
BL
BL
R
BK
P
P
M
BN
G
GR
nc
nc
nc
VGREEN
N NARANJA
P PURPURA
N
N
A
A
106 V
81 V
71 V
64 V
57 V
NE
B
AZ
R
P
M
G
NE
B
AZ
R
P
M
G
120 V
106 V
81 V
71 V
64 V
57 V
R
nc
NE
Condensador para
baja
velocidad
C1
NE
AZ
MED
R
BAJA
NE
Condensador para
baja velocidad
NE
Opcional baja 3
NE R
CONDENSADOR PARA
BAJA VELOCIDAD
Cableado de fábrica del voltage
de la línea
Cableado de fábrica de bajo
Cableado in situ de bajo voltaje
de clase 2
Baja (71V)
Baja (81V)
Baja (64V)
ref: 24602_REV-A
ERV120T, HRV120T, ERV120S Y HRV120S
Bekijk gratis de handleiding van Broan ERV120S, stel vragen en lees de antwoorden op veelvoorkomende problemen, of gebruik onze assistent om sneller informatie in de handleiding te vinden of uitleg te krijgen over specifieke functies.
Productinformatie
Merk | Broan |
Model | ERV120S |
Categorie | Airco |
Taal | Nederlands |
Grootte | 6382 MB |